EasyManua.ls Logo

laguna 16HD - Page 61

laguna 16HD
100 pages
Print Icon
To Next Page IconTo Next Page
To Next Page IconTo Next Page
To Previous Page IconTo Previous Page
To Previous Page IconTo Previous Page
Loading...
61
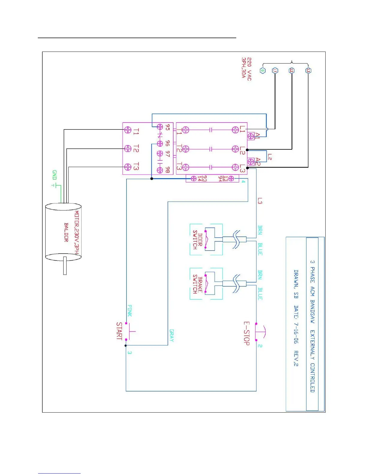
Electrical system drawing with push (ON) button

Table of Contents

Related product manuals