EasyManua.ls Logo

LAUNCH TECH TWC-502RMB - Page 8

LAUNCH TECH TWC-502RMB
23 pages
Print Icon
To Next Page IconTo Next Page
To Next Page IconTo Next Page
To Previous Page IconTo Previous Page
To Previous Page IconTo Previous Page
Loading...
LAUNCH Tyre Changer (TWC-502RMB)
3
Fig.01-2
Fig.01-2-1
Fig.01-2-2
Fig.01-2-3
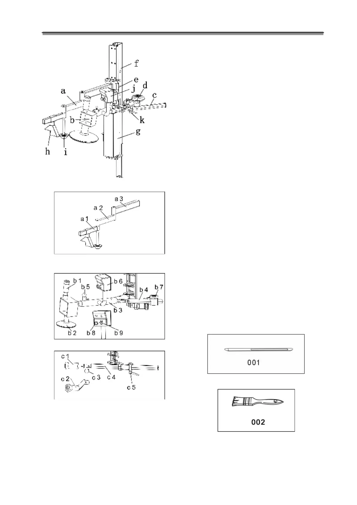
The Supplementary arm is shown in Fig. 01-2.
a- Swivel arm assembly
b- Disk arm assembly
c- Slide rod assembly
d- Lock cylinder assembly
e- Slide board assembly
f- Post assembly assembly
g- Lifting cylinder assembly
h- Press block
i- Cone
j- Control box assembly
k- Lock bar
Swivel arm assembly is shown in Fig. 01-2-1
a1. Fore swivel arm
a2. Middle swivel arm
a3. Back swivel arm
Disk arm assembly is shown in Fig. 01-2-2
b1. Roller of disk arm
b2. Disk
b3. Disk arm
b4. Locking slide bar
b5. Knob
b6. Control box
b7. Lock cylinder
b8. Lock button
b9. Rise/fall control lever
Slide rod assembly is shown in Fig. 01-2-2
c1. Roller 1
c2. Roller 2
c3. Knob
c4. Slide rod
c5. Lock bar
Accessories provided are shown in Fig.01-2-3
001-Tyre lever
002-Brush
Fig.02-a
Fig.02-b