EasyManua.ls Logo

LAUNCH TECH TWC-502RMB - TWC-502 RMB Circuit Diagram

LAUNCH TECH TWC-502RMB
23 pages
Print Icon
To Next Page IconTo Next Page
To Next Page IconTo Next Page
To Previous Page IconTo Previous Page
To Previous Page IconTo Previous Page
Loading...
LAUNCH Tyre Changer (TWC-502RMB)
14
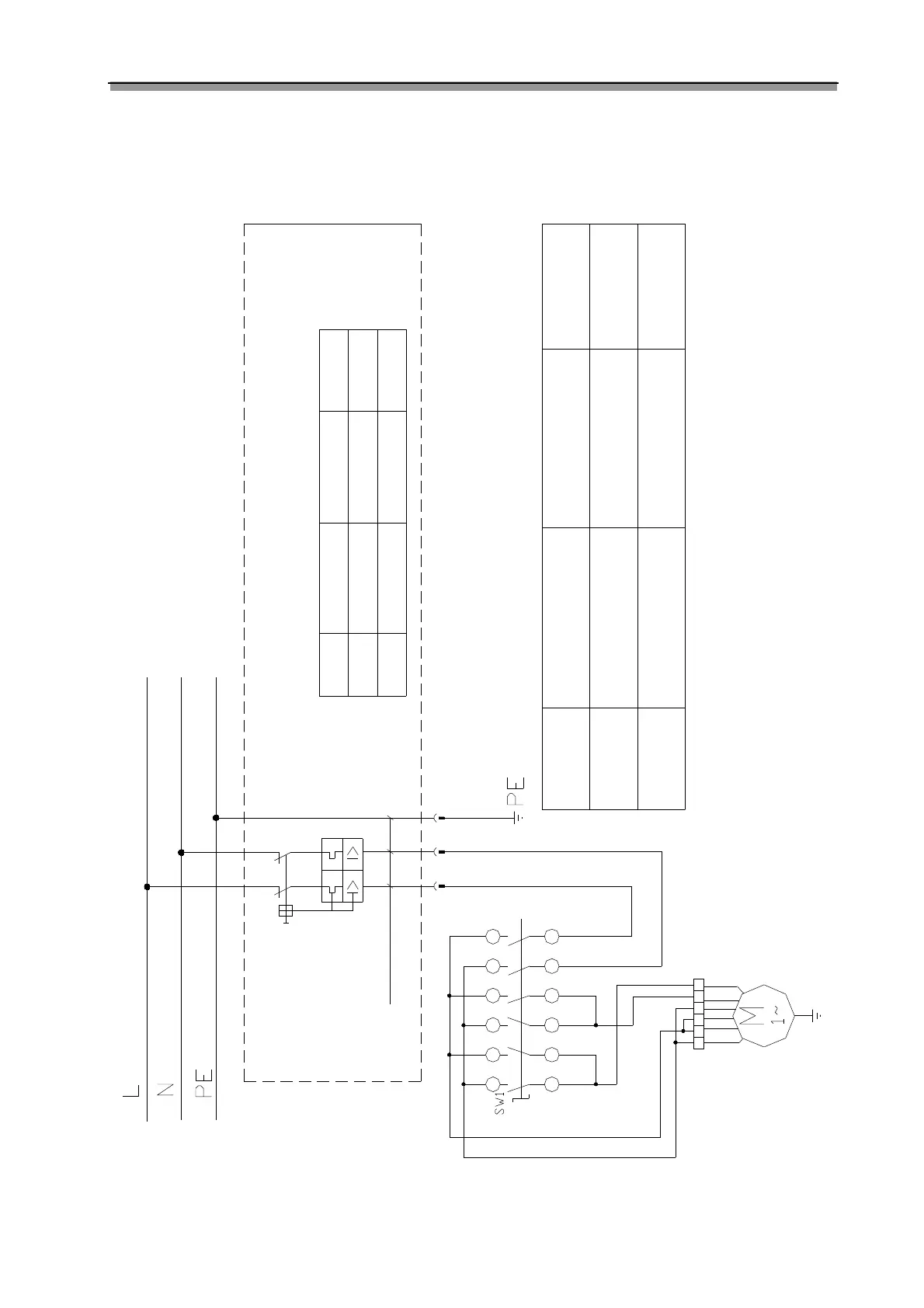
TWC-502RMB Circuit Diagram
75
2.5mm
2
current
19A
9
U3U2U1
Z1V1
U4
1242 86 1O
protective current
40A
industrial power plug
maximum current
32A
QF1
No.
QF1
SOCKET
Name
industrial power
socket
air-break switch
SW1
PLUG
No.
industrial power plug
switch
Name
Remarks
Model
rated current 40A
EN60947-2
EN60309
Mennekes socket 536#
32A/2P+E/230V/IP44
32A
Mennekes plug 274#
32A/2P+E/230V/IP44
Model
EN60309
EN60947-3
Remarks
This protective circuit should be
fulfiled by the customer
Remarksif the motor movement is contrary to the right
turning,change the phase wire(Z1 and V1).
AC110V
60Hz
111 3