EasyManua.ls Logo

LAUNCH TECH TWC-502RMB - Page 20

LAUNCH TECH TWC-502RMB
23 pages
Print Icon
To Next Page IconTo Next Page
To Next Page IconTo Next Page
To Previous Page IconTo Previous Page
To Previous Page IconTo Previous Page
Loading...
LAUNCH Tyre Changer (TWC-502RMB)
15
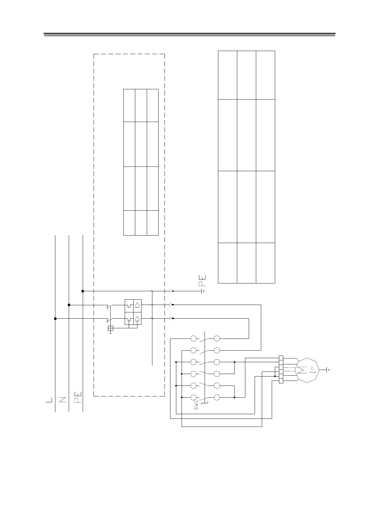
Remarksif the motor movement is contrary to the right
turning,change the phase wire(Z1 and V1).
current9.1A
AC230V
60Hz
1.5mm
2
531 7 9
62 4 1O8
U3U1 U2
V1 Z1
U4
This protective ciruit should be
fulfiled by the customer
EN60947-2
Remarks
industrial power plug
SOCKET
No.
protective current
20A
QF1
industrial power plug
maximum current
32A
11
QF1
12
No.
SW1
PLUG
rated current 20A
Mennekes socket 536#
32A/2P+E/230V/IP44
industrial power
socket
air-break switch
Name
EN60309
Model
Mennekes plug 274#
32A/2P+E/230V/IP44
Name
switch
Model
16A
Remarks
EN60947-3
EN60309