EasyManua.ls Logo

LAUNCH TECH TWC-502RMB - Page 21

LAUNCH TECH TWC-502RMB
23 pages
Print Icon
To Next Page IconTo Next Page
To Next Page IconTo Next Page
To Previous Page IconTo Previous Page
To Previous Page IconTo Previous Page
Loading...
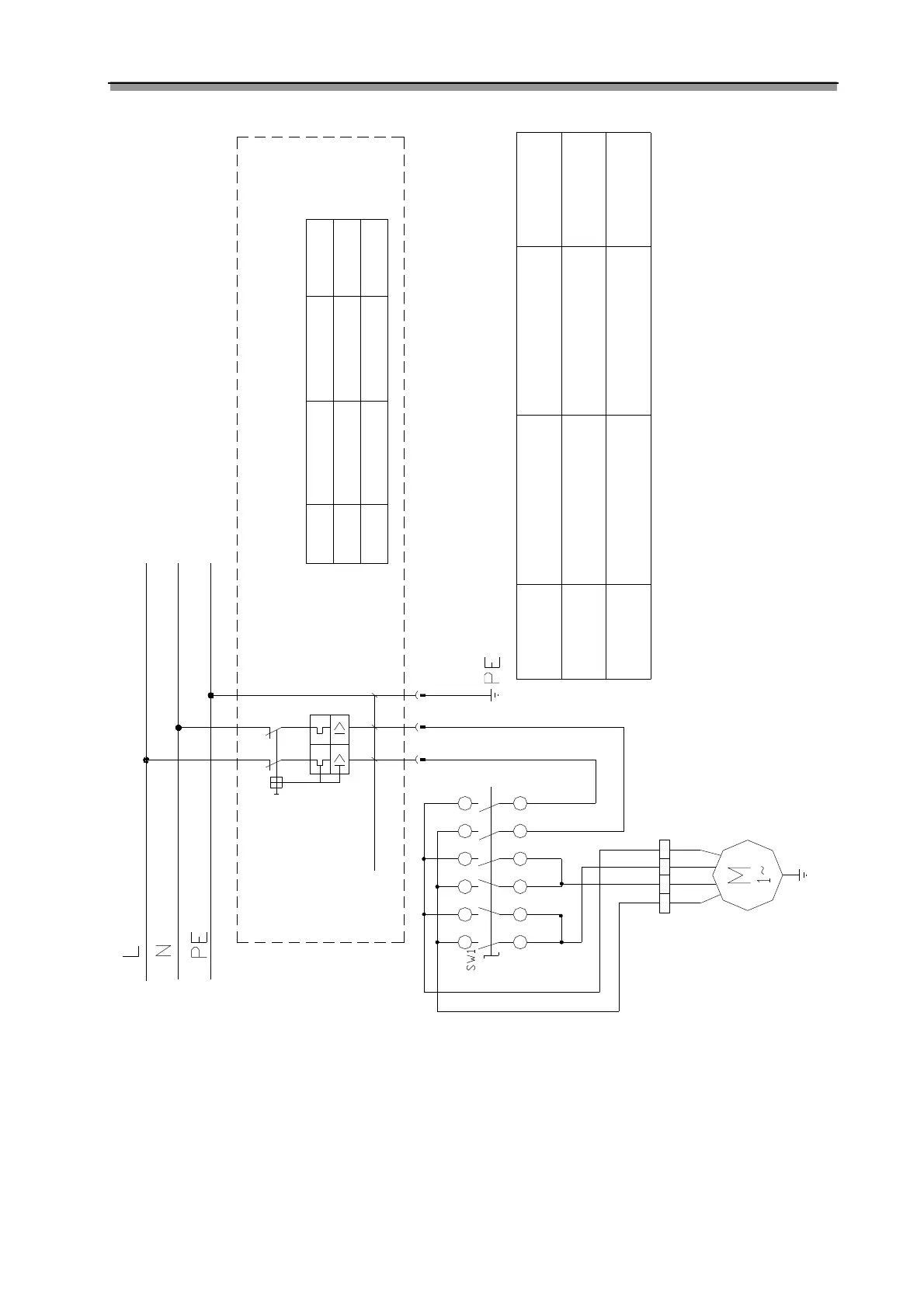
LAUNCH Tyre Changer (TWC-502RMB)
16
Remarks
if the motor movement is contrary to the right
turning,change the phase wire(Z1 and Z2).
industrial power plug
maximum current
32A
AC220V
50HZ
U2U1 Z1 Z2
1.5mm
7
current9.1A
31 5
2
9 11
842 6 1O 12
QF1
protective current
20A
No.
PLUG
SW1
This protective ciruit should be
fulfiled by the customer
EN60947-3
EN60309
Remarks
Mennekes plug 274#
32A/2P+E/230V/IP44
rated current 20A
Mennekes socket 536#
32A/2P+E/230V/IP44
air-break switch
industrial power
socket
SOCKET
QF1
No. Name
switch
Name
industrial power plug
Model
EN60309
EN60947-2
Remarks
Model
16A