EasyManua.ls Logo

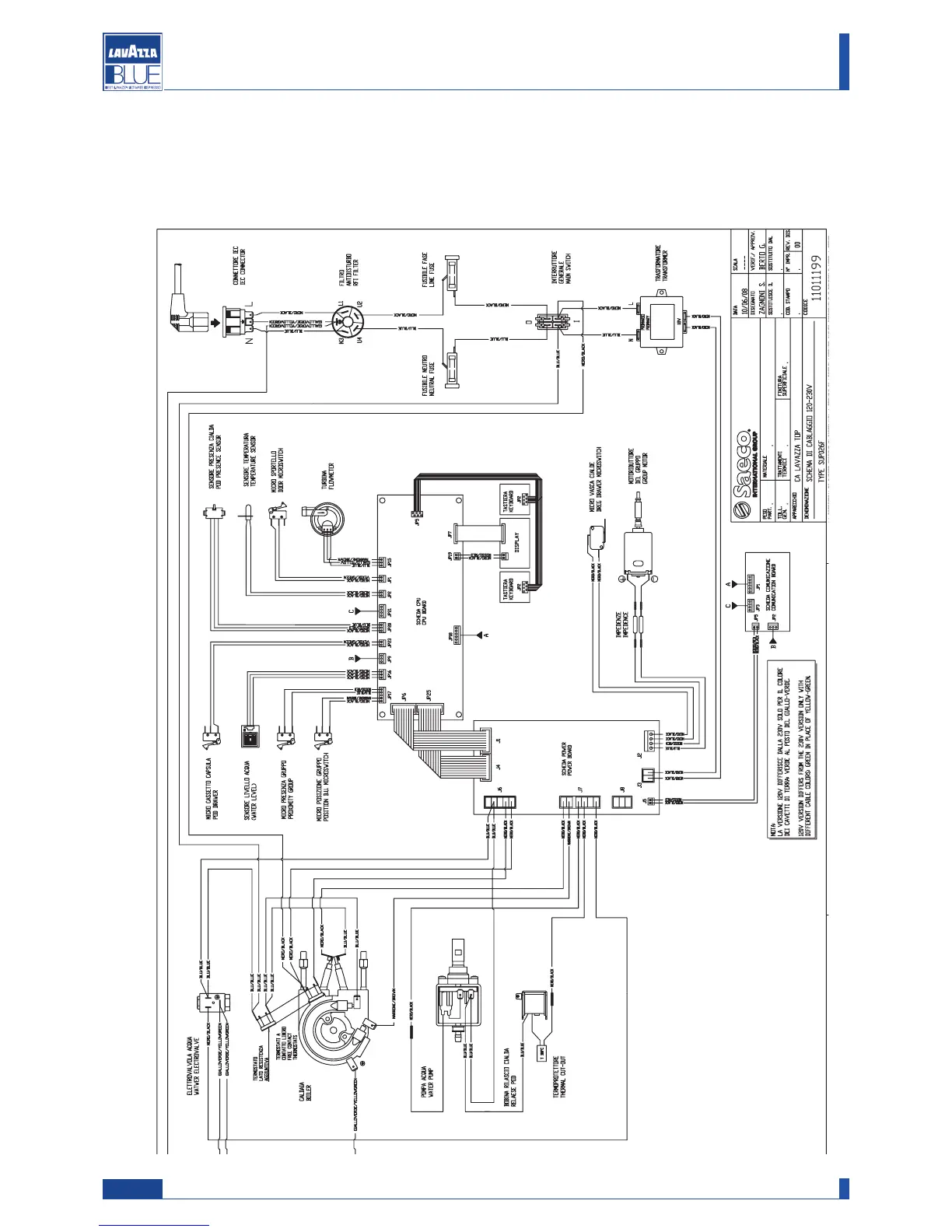
LAVAZZA LB 2301 - Diagrams and Schematics; 7.1. Wiring Diagram

LAVAZZA LB 2301
74 pages
Print Icon
To Next Page IconTo Next Page
To Next Page IconTo Next Page
To Previous Page IconTo Previous Page
To Previous Page IconTo Previous Page
Loading...
3/6
Schema di cablaggio LB2300 Base
LB 2300 Cap.04
REV00 - Dicembre 2008
7. DIAGRAMS
7.1. Wiring diagram
LB 2300
22
Manual code 10083445 / Rel. 0.00 / April 2010
Maintenance manual for technical assistance LB 2300-2301-2302-2311-2312

Table of Contents

Related product manuals