EasyManua.ls Logo

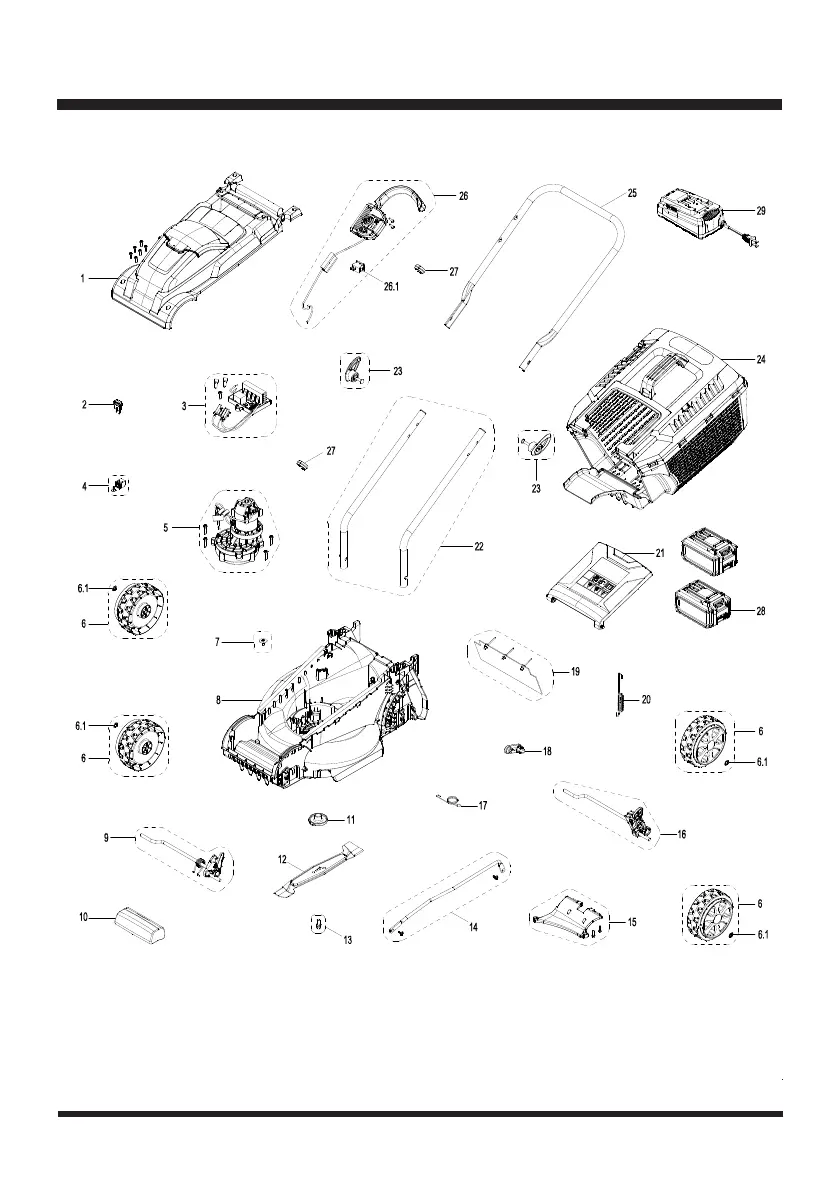
LawnMaster CLM2413A - Exploded View

LawnMaster CLM2413A
40 pages
Print Icon
To Next Page IconTo Next Page
To Next Page IconTo Next Page
To Previous Page IconTo Previous Page
To Previous Page IconTo Previous Page
Loading...
36
EXPLODED VIEW

Related product manuals