EasyManua.ls Logo

LBC LRP - Page 23

LBC LRP
32 pages
Print Icon
To Next Page IconTo Next Page
To Next Page IconTo Next Page
To Previous Page IconTo Previous Page
To Previous Page IconTo Previous Page
Loading...
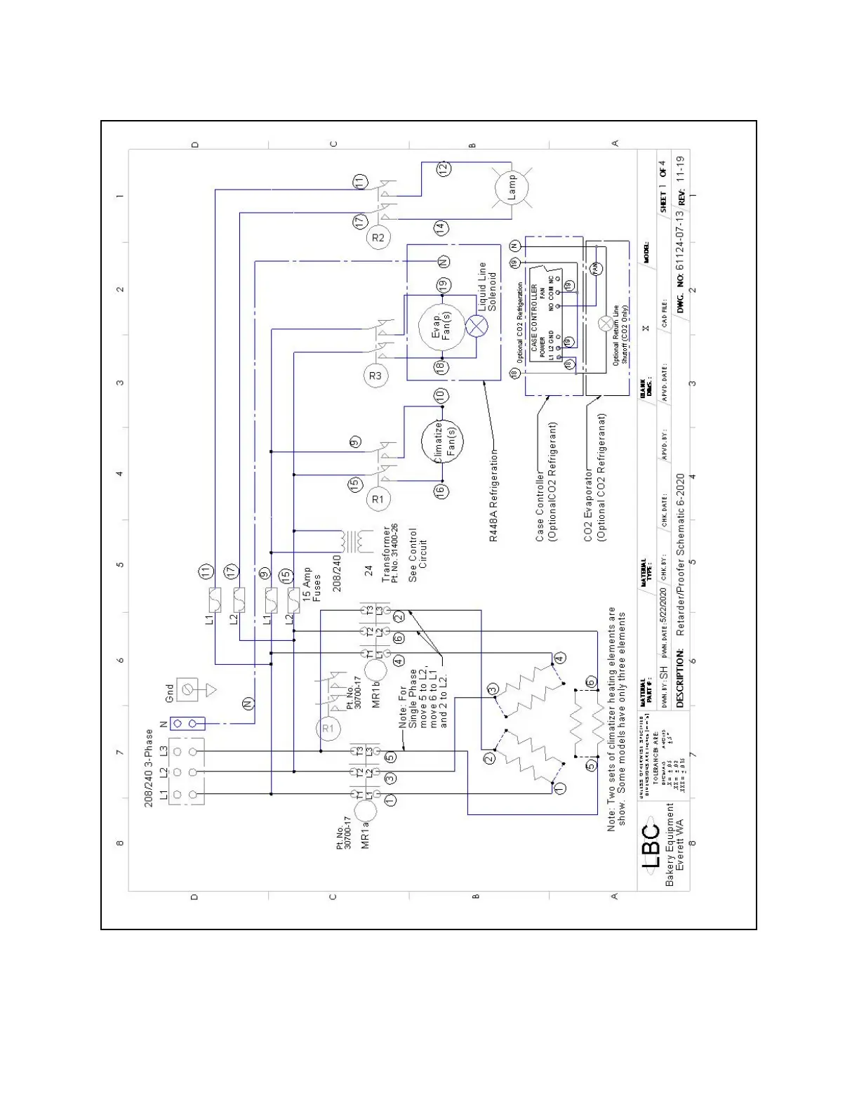
Page | 23 Proofer Operators Manual 1-2022 (English)
Copyright 2022 LBC Bakery Equipment Inc. Tulalip WA