EasyManua.ls Logo

LCT 208cc - 208 cc Summer Engine Dimensions

LCT 208cc
25 pages
Print Icon
To Next Page IconTo Next Page
To Next Page IconTo Next Page
To Previous Page IconTo Previous Page
To Previous Page IconTo Previous Page
Loading...
Rev:072409 Copyright © 2009 Liquid Combustion Technology, LLC LCT Engine Service Manual: 208cc, 291cc & 414cc 13
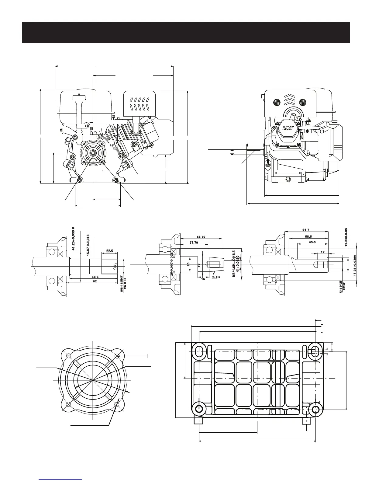
208cc Summer Engine Dimensions
*Drawings do not accurately represent actual engine appearance.
6
4-5/16-24UNF
5/16-24UNF
16.250 in (412.75mm)
14.00 in (355.6mm)
11.625 in (295.275mm)
4.17 in [106mm]
3.78 in [96mm]
6.38 in [162mm]
3.625 in [92mm]
BOLT CIRCLE
5/16"-24 thread
3.190 in (81.026mm)
3.475 in (88.265mm)
13.45in (341.63mm)
10.110 in (256.79mm)
12.500" in (317.50mm)
3.05"(77.5mm)
.750 in (19.05mm)
2.4309 in (61.7mm)
Key width
3/16 in (4.76mm)
3.622
41.25+0.025
2.200"
4-5/16-24
7.28" (185mm)
4.09" (140mm)
1.97" (50mm)
3.05" (77.5mm)
.51" (13mm)
3.39" (86mm)
5.12" (130mm)
3.52" (89.5mm)
.20"
(5mm)
.67"
(17mm)
.49"
(12.5mm)
2.58" (65.5±0.05mm)
7.70" (195.5±0.05mm)
7.70" (195.5±0.05mm)
8.68" (220.5mm)
4.24" (105.75mm)
4.13" (105±0.05mm)
6.34" (162±0.05mm)
6.38" (162mm)

Related product manuals