EasyManua.ls Logo

LCT 208cc - 208 cc Snow Engine Dimensions

LCT 208cc
25 pages
Print Icon
To Next Page IconTo Next Page
To Next Page IconTo Next Page
To Previous Page IconTo Previous Page
To Previous Page IconTo Previous Page
Loading...
Rev:072409 Copyright © 2009 Liquid Combustion Technology, LLC LCT Engine Service Manual: 208cc, 291cc & 414cc 16
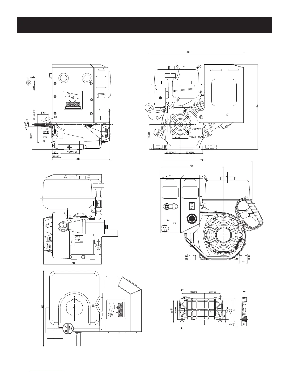
208cc Snow Engine Dimensions
*Drawings do not accurately represent actual engine appearance.
D-D
D
D

Related product manuals