EasyManua.ls Logo

Leadshine Technology DMA860H - Sequence Chart of Control Signals

Leadshine Technology DMA860H
18 pages
Print Icon
To Next Page IconTo Next Page
To Next Page IconTo Next Page
To Previous Page IconTo Previous Page
To Previous Page IconTo Previous Page
Loading...
DMA860H Fully Digital Stepper Drive Manual V1.0
10
DM860H
DIR+
Controller
VCC
PUL-
270
O
270
O
270
O
PUL+
ENA-
Pulse
Direction
Enable
DIR-
ENA+
AC
AC
Recommended Power Supply
20 ~ 72VAC
VCC = 5V
A+
A-
B+
B-
Stepper
Motor
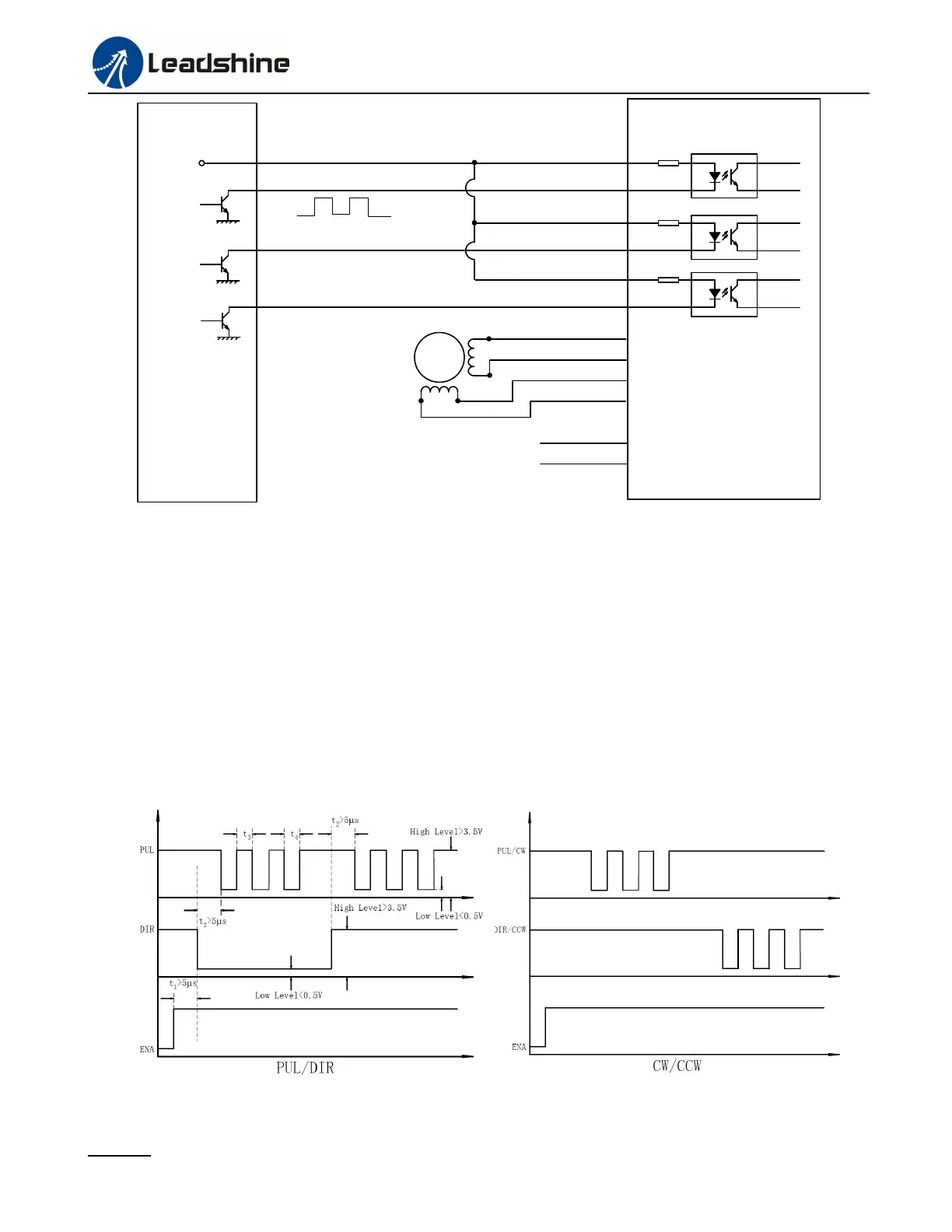
Figure 10: Typical connection
10. Sequence Chart of Control Signals
In order to avoid some fault operations and deviations, PUL, DIR and ENA should abide by some rules, shown as
following diagram:
Figure 11: Sequence chart of control signals
Remark:

Related product manuals