EasyManua.ls Logo

Leibinger Jet 3 - Connection Examples for Interfaces; Interface X3 (Outputs) Examples

Leibinger Jet 3
378 pages
Print Icon
To Next Page IconTo Next Page
To Next Page IconTo Next Page
To Previous Page IconTo Previous Page
To Previous Page IconTo Previous Page
Loading...
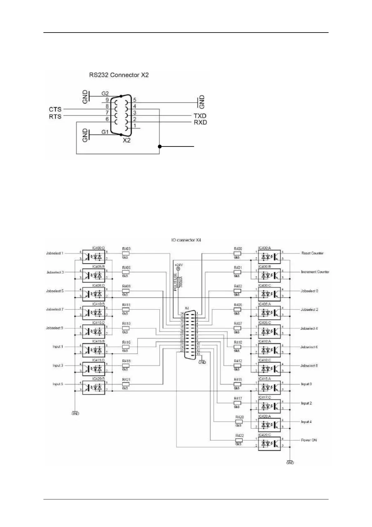
Group 12 Appendix Page 352
Release R2.0 LEIBINGER JET3
Interface X2 (RS232 Serial Interface)
Internal existing stud
(between Pin 4 and Pin 6)
Interface X4 (Inputs)

Related product manuals