EasyManua.ls Logo

Leibinger Jet 3 - Page 353

Leibinger Jet 3
378 pages
Print Icon
To Next Page IconTo Next Page
To Next Page IconTo Next Page
To Previous Page IconTo Previous Page
To Previous Page IconTo Previous Page
Loading...
Group 12 Appendix Page 351
Release R2.0 LEIBINGER JET3
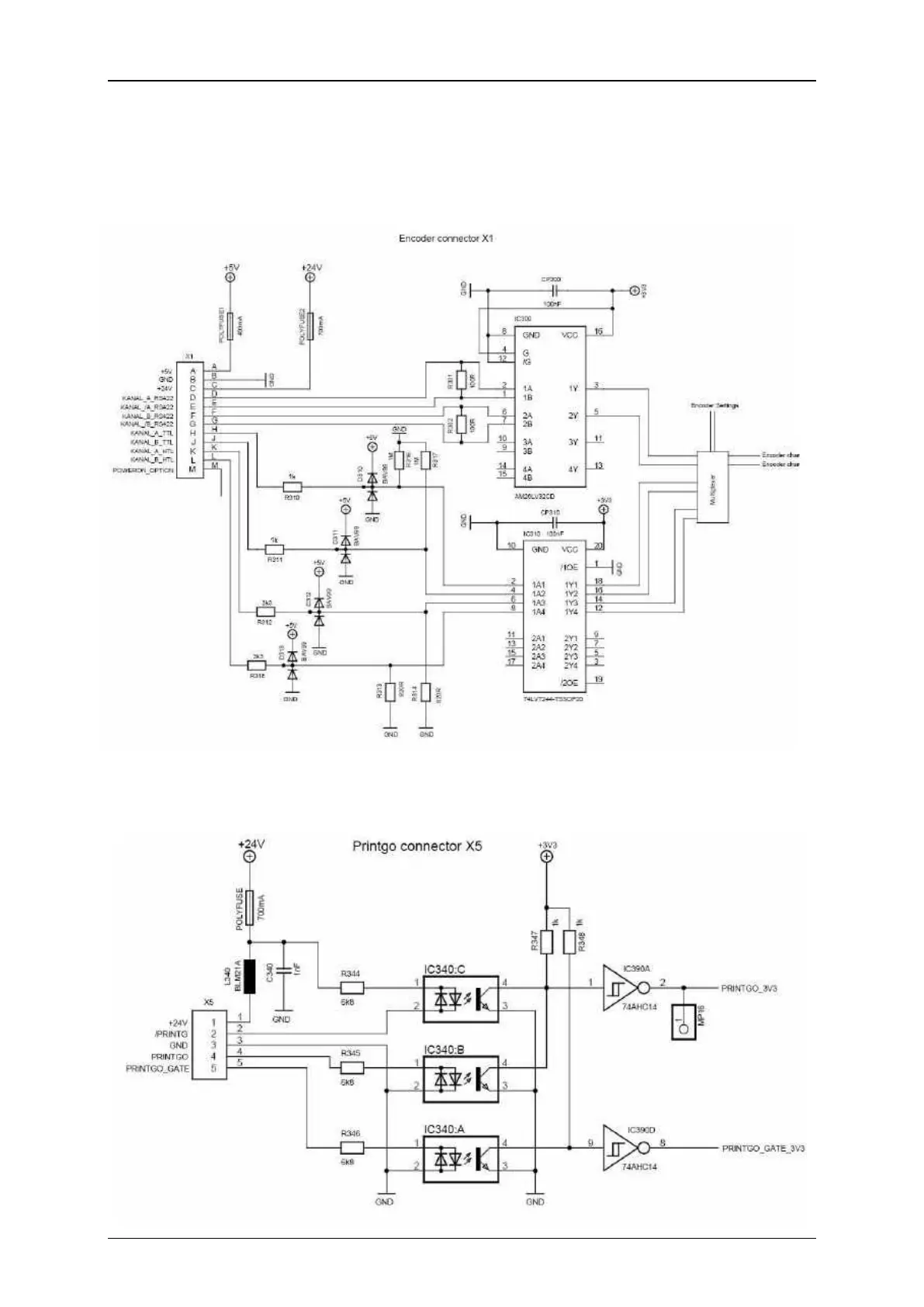
12. Appendix
12.1 Circuit diagrams of the interfaces
Interface X1 (Encoder)
Interface X5 (PrintGo)

Related product manuals