EasyManua.ls Logo

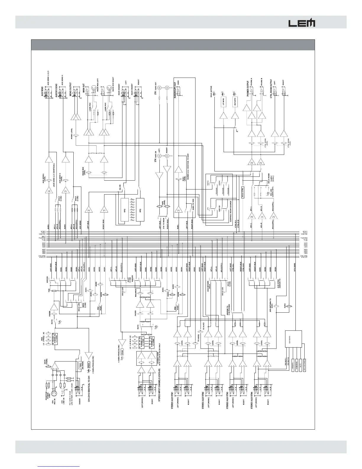
LEM RD204 - Block Diagram

LEM RD204
Print Icon
To Next Page IconTo Next Page
To Next Page IconTo Next Page
To Previous Page IconTo Previous Page
To Previous Page IconTo Previous Page
Loading...
22
rd204 & rd204fx
FIG. 15 - BLOCK DIAGRAM

Related product manuals