EasyManua.ls Logo

Lennox BALTIC Series

Lennox BALTIC Series
83 pages
To Next Page IconTo Next Page
To Next Page IconTo Next Page
To Previous Page IconTo Previous Page
To Previous Page IconTo Previous Page
Loading...
Page 57 - Application Guide 04-2003 / Rooftop BALTIC Series - Page 57
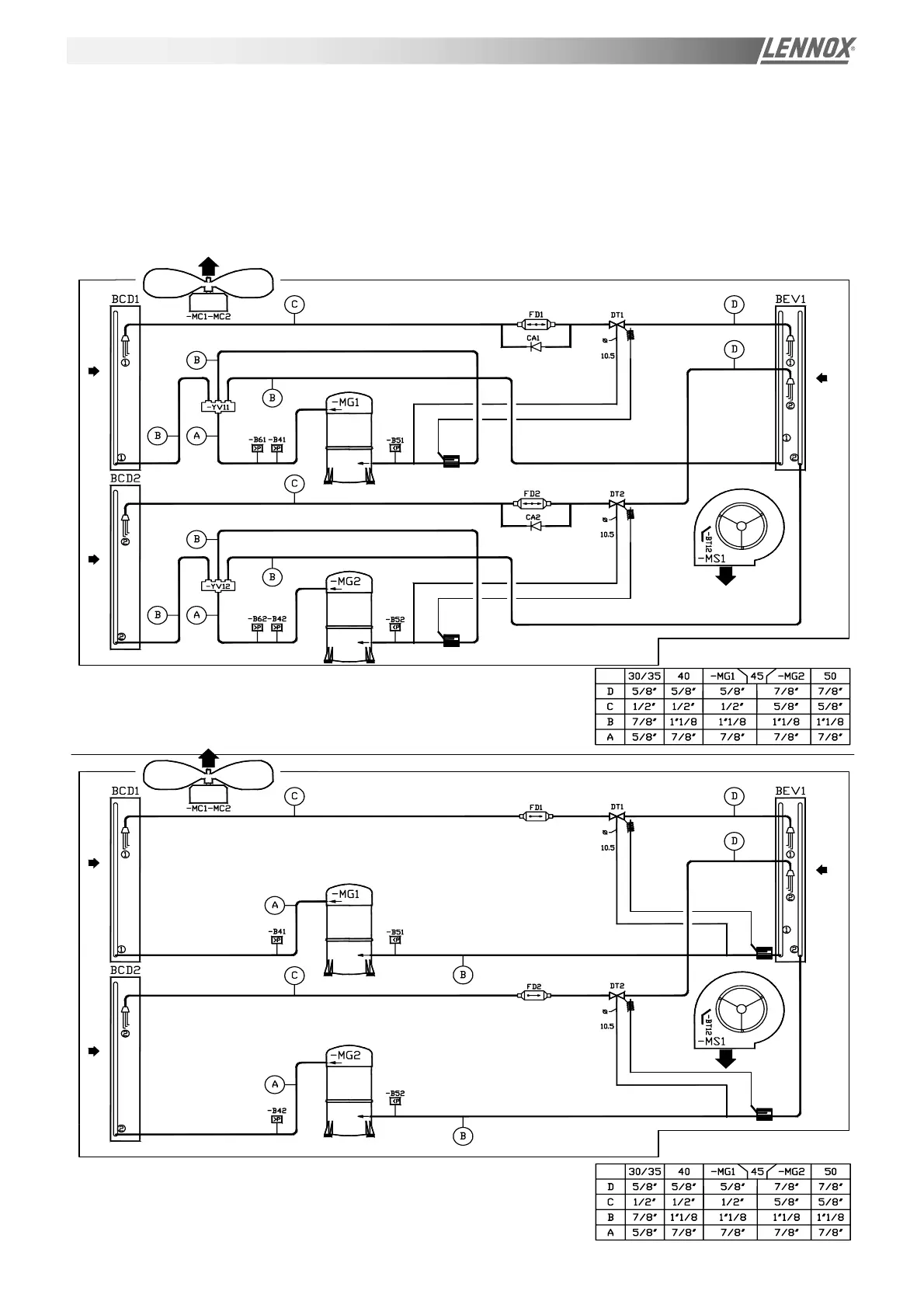
Principle sketches
EQUALIZING LINE
EQUALIZING LINE
EQUALIZING LINE
EQUALIZING LINE
PIPE DIAMETERSPIPE DIAMETERS
BHK-030-035-040-045-050
BCK-030-035-040-045-050

Related product manuals