EasyManua.ls Logo

Lennox CB30M-65

Lennox CB30M-65
44 pages
To Next Page IconTo Next Page
To Next Page IconTo Next Page
To Previous Page IconTo Previous Page
To Previous Page IconTo Previous Page
Loading...
Page 43
1
2
3
4
6
5
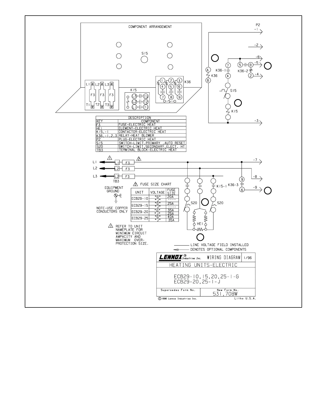
J–ECB29-10, 15, 20, 25 – 460V and 575V THREE PHASE – SEQUENCE OF OPERATION
1- When there is a call for heat, W1 of the thermostat
energizes the electric heat relay K36 with 24VAC.
2- When K36-1 closes, assuming the N.C. primary
limit (S15) is closed, electric heat contactor K15 is
energized with 24VAC.
3- The economizer, if used, is energized after K36-2
closes.
4- When K36-3 closes, the blower is energized on
heating speed (see 208/230VAC CB schematic).
5- When K15-1 contacts close, assuming the N.C.
secondary (S20) limit switches are closed, electric
heat element HE1 is energized.
6- If one of the secondary limit switches (S20) should
open, one of the three heating elements of HE1 will
remain energized.

Table of Contents

Other manuals for Lennox CB30M-65

Related product manuals