EasyManua.ls Logo

Lennox G23Q3-50 - CONFINED SPACE INSTALLATION; Air from Inside

Lennox G23Q3-50
31 pages
Print Icon
To Next Page IconTo Next Page
To Next Page IconTo Next Page
To Previous Page IconTo Previous Page
To Previous Page IconTo Previous Page
Loading...
Page 20
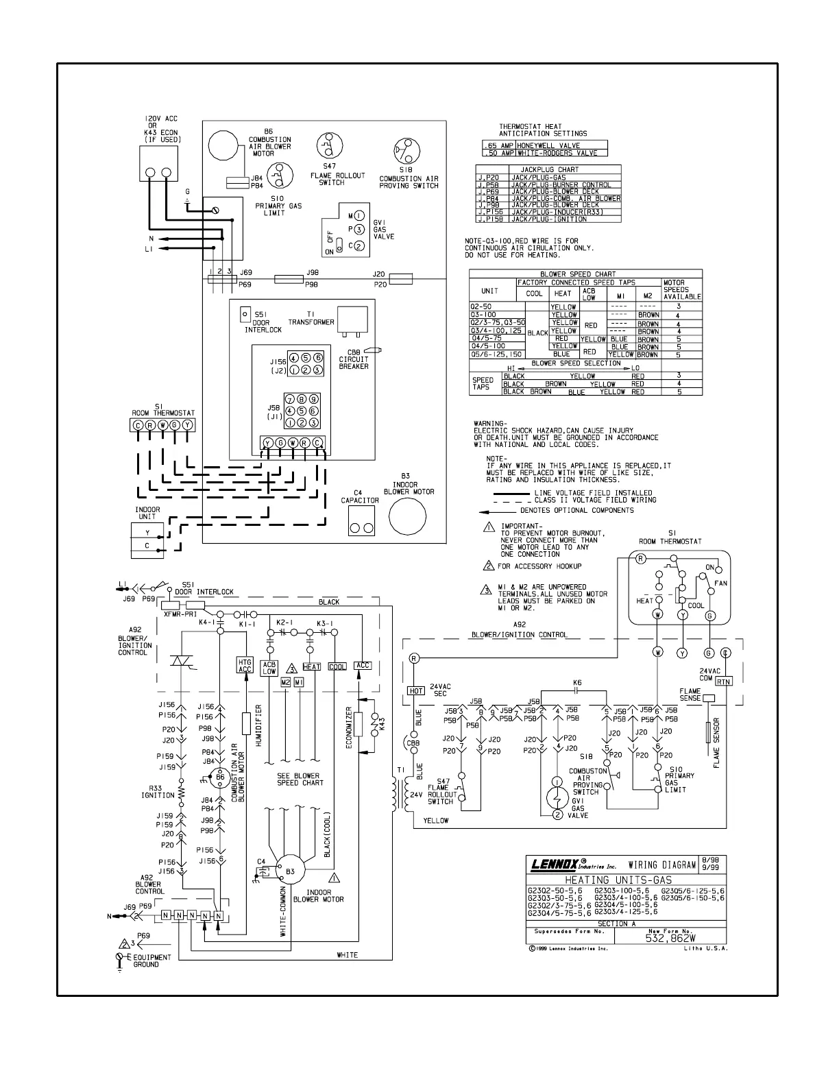
G23(X) SCHEMATIC WIRING DIAGRAM
FIGURE 22

Other manuals for Lennox G23Q3-50

Related product manuals