EasyManua.ls Logo

Lennox INALTO - Page 20

Lennox INALTO
32 pages
Print Icon
To Next Page IconTo Next Page
To Next Page IconTo Next Page
To Previous Page IconTo Previous Page
To Previous Page IconTo Previous Page
Loading...
• 19 •
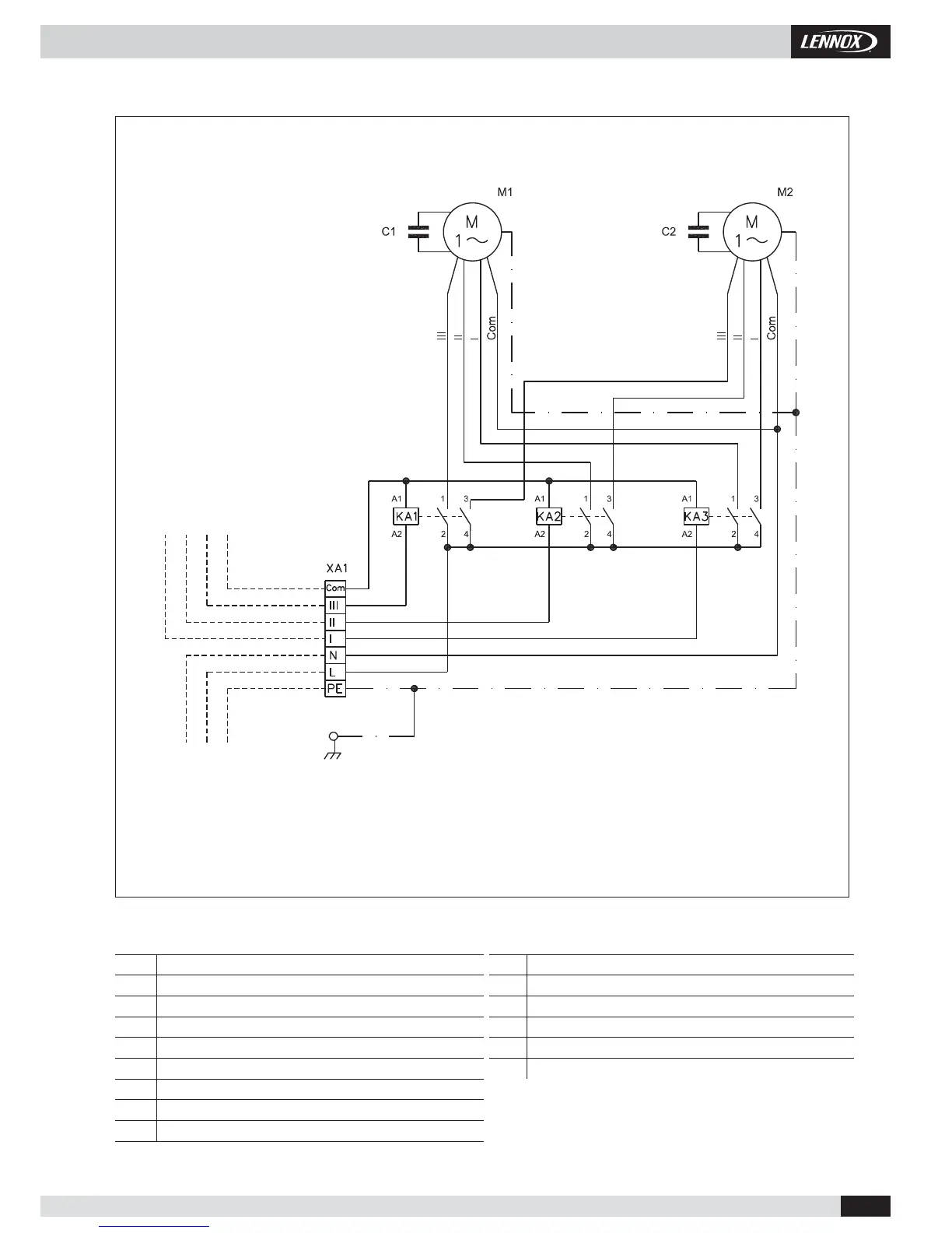
PE
L
N
Com
I
II
III
C1
C2
KA1
KA2
KA3
M1
M2
XA1
Installation, operation and maintenance / INALTO-IOM-1809-E
Cross section area = 1 mmq
Cross section area = 2,5 mmq
Fan speed control
230VAC / 50 Hz
Fan power supply
(permanent)
230VAC / 50 Hz
LEGEND:
Earth (yellow/green)
Phase
Neutral
Common
Minimum speed
Medium speed
Maximum speed
Capacitor
Capacitor
Maximum speed relay
Medium speed relay
Minimum speed relay
Fan motor
Fan motor
Terminal board for fan speed control M1
Pic. 31
3-SPEED MOTOR
Sizes 49 & 57
WIRING DIAGRAM

Related product manuals