EasyManua.ls Logo

Lennox INALTO - Page 26

Lennox INALTO
32 pages
Print Icon
To Next Page IconTo Next Page
To Next Page IconTo Next Page
To Previous Page IconTo Previous Page
To Previous Page IconTo Previous Page
Loading...
• 25 •
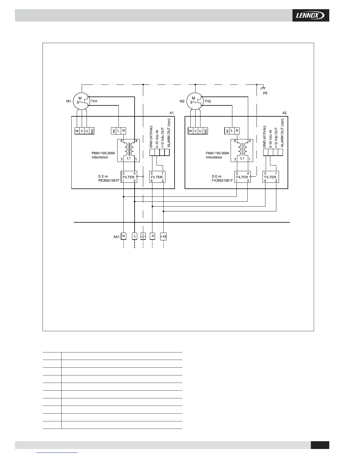
PE
L
N
A1
A2
M1
M2
XA1
TH1
TH2
Installation, operation and maintenance / INALTO-IOM-1809-E
LEGEND:
Earth (yellow/green)
Phase
Neutral
Electronic control
Electronic control
Motor
Motor
Terminal board
Thermal protector
Thermal protector
Sizes 49 & 57
Pic. 37
EC MOTOR
UNIT LIMIT
FAN SPEED CONTROL
0-10 Vdc
2x0,5mmq
(shielded and twisted)
POWER SUPPLY ELECTRONIC CONTROL
230Vac/50Hz
3x1,5mmq
WIRING DIAGRAM

Related product manuals