EasyManua.ls Logo

Lennox KGB036S4B

Lennox KGB036S4B
76 pages
To Next Page IconTo Next Page
To Next Page IconTo Next Page
To Previous Page IconTo Previous Page
To Previous Page IconTo Previous Page
Loading...
Page 72
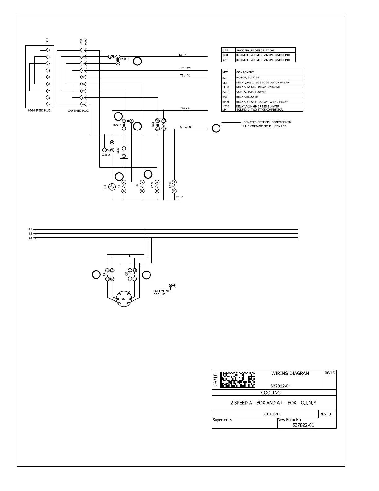
KGB-074 Two-Stage Units
1. First-stage cooling demand Y1 and G is ener
gized by the thermostat. G energizes blower.
2. Relay K239 directs voltage through relay K250 to
energize contactor K3.
3. Blower contactor K3 energizes blower B3 on low
speed.
4. Second-stage cooling demand Y2 energizes
relay K250 to redirect voltage to contactor K37
5. Contactor K37 energizes blower B3 on high
speed.
1
2
3
4
5
3
4
5

Table of Contents

Related product manuals