EasyManua.ls Logo

Lennox KGB036S4B

Lennox KGB036S4B
76 pages
To Next Page IconTo Next Page
To Next Page IconTo Next Page
To Previous Page IconTo Previous Page
To Previous Page IconTo Previous Page
Loading...
Page 74
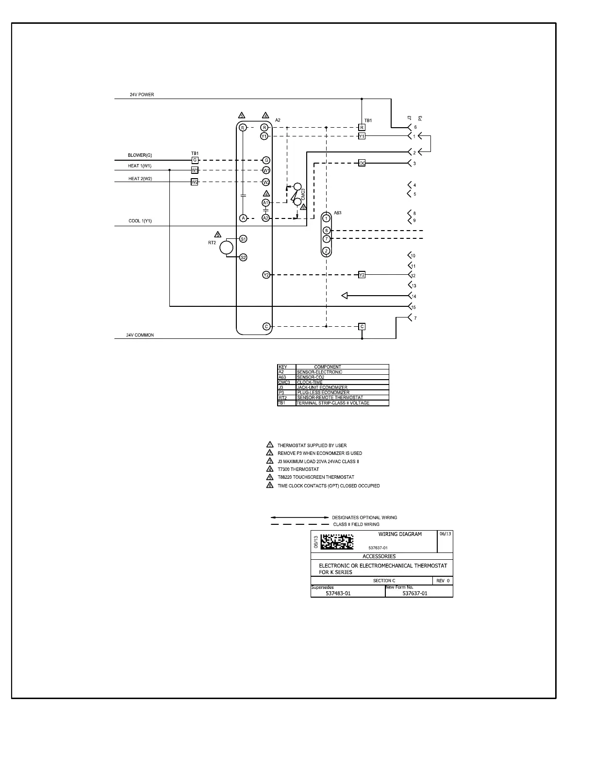
ELECTRONIC OR ELECTROMECHANICAL THERMOSTAT
POWER:
1. Terminal strip TB1 found in the main control box supplies thermostat components with 24VAC.
OPERATION:
2. TB1 receives data from the electronic thermostat A2 (Y1, Y2, W1, W2, G)
and energizes the appropriate components for heat or cool demand.

Table of Contents

Related product manuals