EasyManua.ls Logo

Lennox LCH 036

Lennox LCH 036
140 pages
To Next Page IconTo Next Page
To Next Page IconTo Next Page
To Previous Page IconTo Previous Page
To Previous Page IconTo Previous Page
Loading...
Page 34
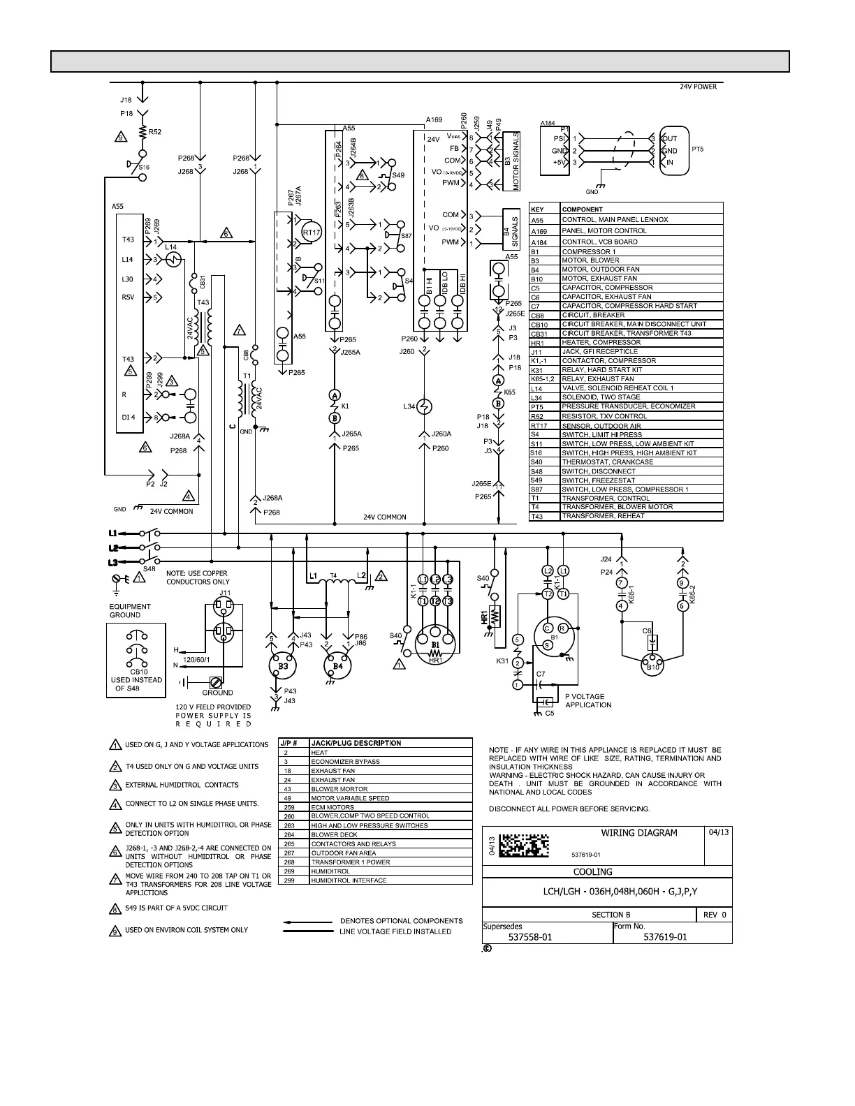
Wiring Diagrams (036, 048, 060 Units)

Related product manuals