EasyManua.ls Logo

Lennox MLA018S4S-1P - MMDA Ducted Indoor Units; Indoor Unit Specifications

Lennox MLA018S4S-1P
28 pages
To Next Page IconTo Next Page
To Next Page IconTo Next Page
To Previous Page IconTo Previous Page
To Previous Page IconTo Previous Page
Loading...
24
4-WAY VALVE
OUTDOOR
FAN
CN 7
3
6
CN 31
PAN
HEATER
CN 15
CN 60
CRANKCASE
HEATER
CN 17
BLUE
BROWN
BLACK
3
2
L2
RED
BLUE
Y/G
1
Y/G
CN 21
Y/G
CN 1A
Y/G
Y/G
COMPRESSOR
Y/G
CN 50
3
U
V
W
BLUE
RED
BLACK
EXV
OUTDOOR
MAIN
PCB
OUTDOOR
TEMP. S ENS OR
COMP RES S OR
DISCHARGE
T E MP. S E NS OR
OUTDOOR C OIL
T E MP. S E NSOR
RED
BLACK
WHTIE
T5
T4
T3
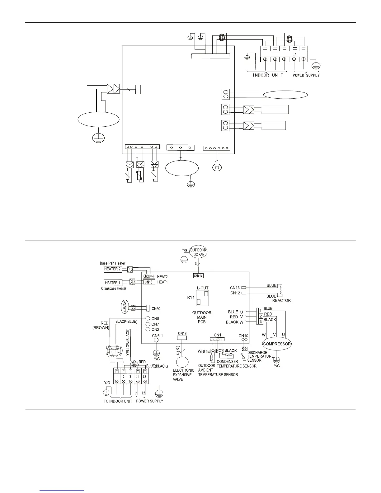
Figure 38. 208/230V MPB009S4S-*P and MPB012S4S-*P Outdoor Unit Wiring Diagram
(T4)
(T3)
(T5)
COMPRESSOR
Figure 39. 208/230V MPB018S4S-*P and MPB024S4S-*P Outdoor Unit Wiring Diagram

Other manuals for Lennox MLA018S4S-1P

Related product manuals