EasyManua.ls Logo

Lennox MPA048S4S-1P - 115 V MPA009 S4 S-1 L and MPA012 S4 S-1 L Outdoor Unit Wiring Diagram; 208;230 V MPA009 S4 S-1 P and MPA012 S4 S-1 P Outdoor Unit Wiring Diagram

Lennox MPA048S4S-1P
258 pages
Print Icon
To Next Page IconTo Next Page
To Next Page IconTo Next Page
To Previous Page IconTo Previous Page
To Previous Page IconTo Previous Page
Loading...
Lennox Mini-Split Service Manual / Page 89
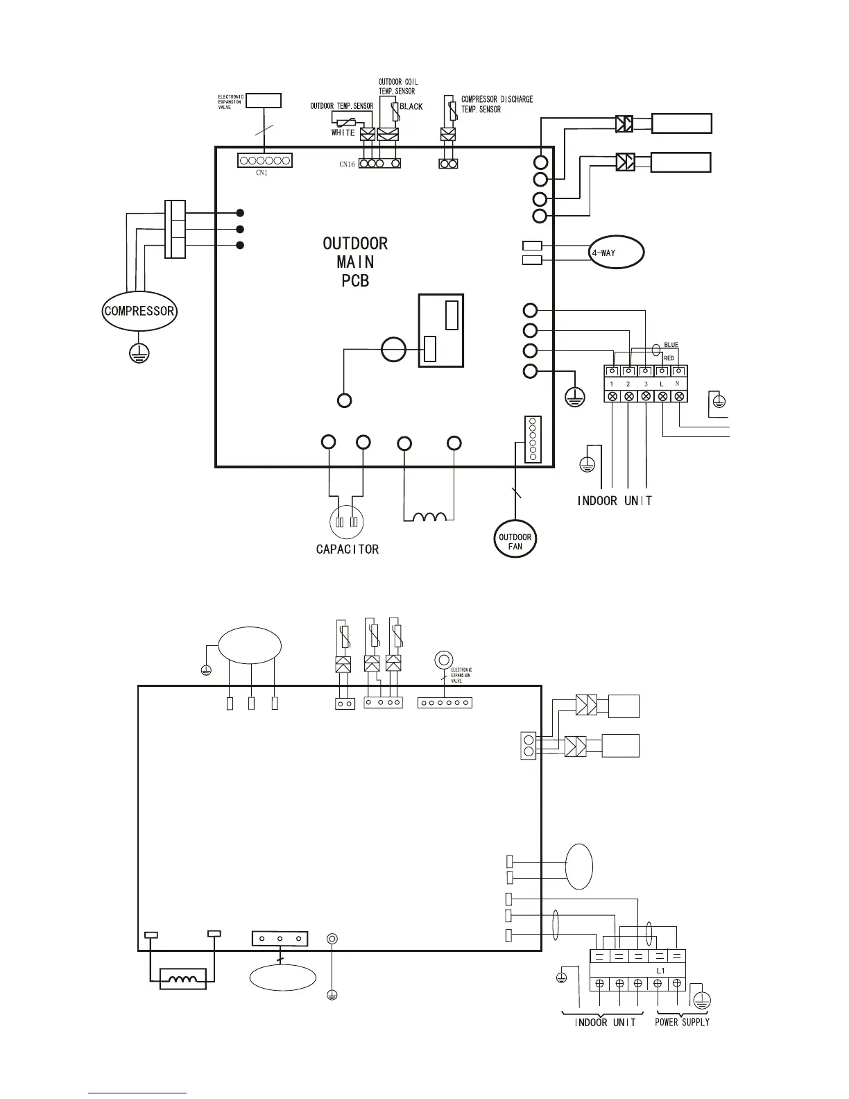
115V MPA009S4S-1L and MPA012S4S-1L Outdoor Unit Wiring Diagram
Typical wiring diagram. Refer
to wiring diagram on the unit
for actual wiring.
208/230V MPA009S4S-1P and MPA012S4S-1P Outdoor Unit Wiring Diagram
Typical wiring diagram. Refer to wiring diagram on the unit for actual wiring.
U
V
W
VALVE
BLUE
U
V
W
4
CN28
CN26
CN10
N-B
CN15
L2
N-A
Y/G
RED
BLUE
BLACK
5
CN34
CN32
CN33
CN31
CN6
CN7
CN5
CN4
BROWN
BLUE
YELLOW
Y/G
Y/G
L
N
BLACK
BLACK
L-A(CN37)
L-B(CN36)
RED
RED
REACTOR
RY3
6
GND
CN8
CN9
POWER
SUPPLY
115V
PAN HEATER
CRANKCASE
HEATER
BLUE
CN2
BROWN
CN16
CN1
CN26
DC-FAN
CN29
REACTOR
CN9-1
CN32-1
OUTDOOR COIL TEMP. SENSOR
CN7
COMPRESSOR
DISCHARGE TEMP. SENSOR
CN27
YELLOW
4-WAY
VALVE
WHITE
COMPRESSOR
BLUE
RED
BLACK
CN28
CN30
WHITE
3
2
L2
RED
BLUE
Y/G
1
Y/G
Y/G
CN3
6
CN31
CN21
CN22
3
PAN
HEATER
CN33
CRANKCASE
HEATER
OUTDOOR TEMP. SENSOR

Table of Contents

Other manuals for Lennox MPA048S4S-1P

Related product manuals