EasyManua.ls Logo

Lenze EVF8214-EV020 - Signal-Flow Charts

Lenze EVF8214-EV020
94 pages
Print Icon
To Next Page IconTo Next Page
To Next Page IconTo Next Page
To Previous Page IconTo Previous Page
To Previous Page IconTo Previous Page
Loading...
Commissioning
5-22 821XKlimaBA0399
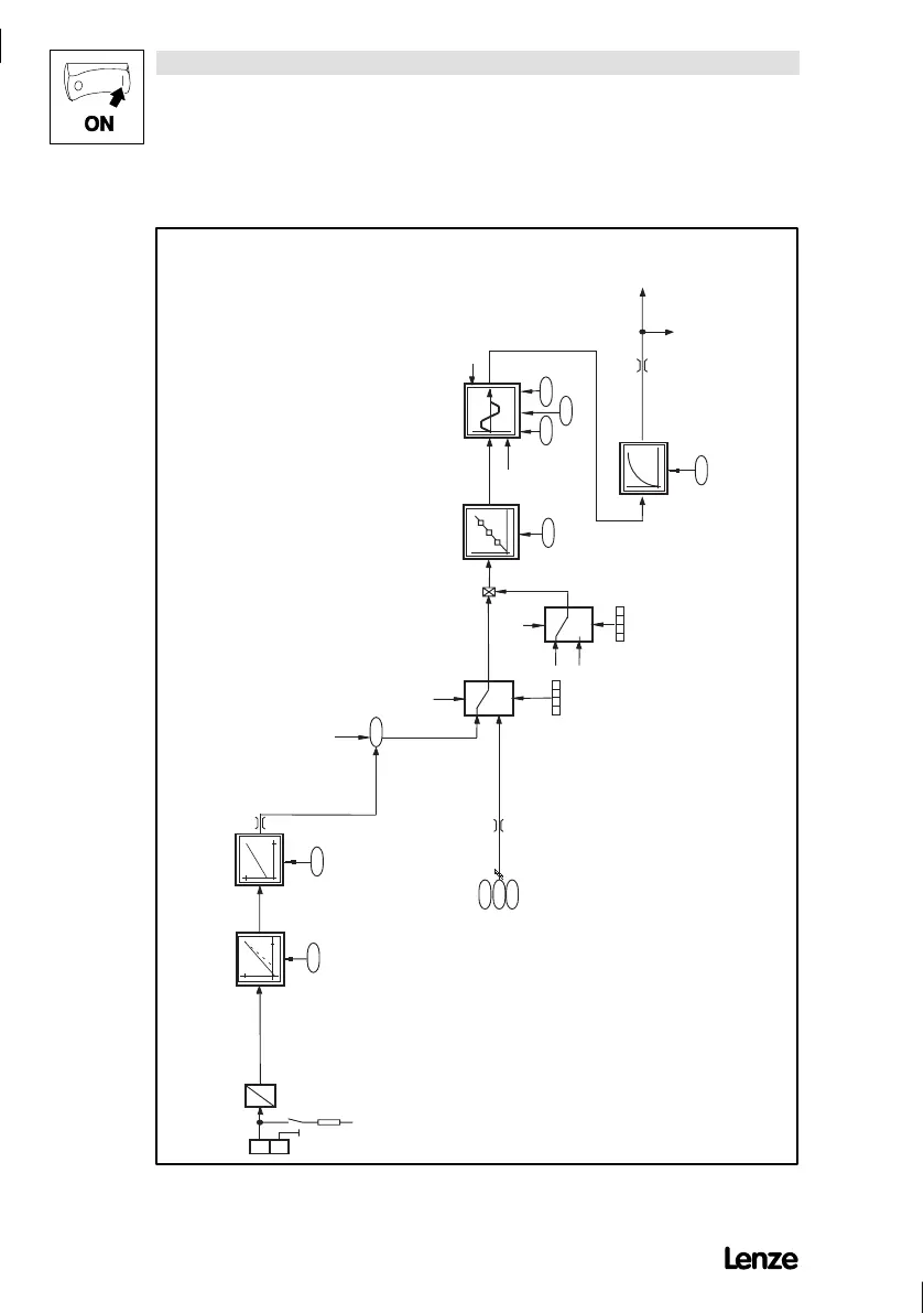
5.7 Signal-flow charts
K35.0147GB
Master current
0...20mA /
4...20mA
8
7
S1/4
250R
X1
D
A
dmin
f
Keypad, LECOM, motor potentiometer function
JOG-set value
3 JOG-
setpoint
-1-...-3-
Enable
JOG-
set-value
0
Keypad,
LECOM
-0-
free
digital inputs
LECOM
-0-
Digital inputs
-1-
Direction of rotation
1
-1
unipolar ( fdmin .. fdmax )
Analog setpoint
1
1
...
C010
C034
C038
C039
C046
fdmax
fdmax
C037
fdmax
-fdmax
Stop
¬
LU, OU
Output
frequency
Ctrl. enable, Reset
DC brake
-1- , -3- . -12-
1,0*fdmax
E1 E2 E3 E4
E1 E2
E3 E4
Skip frequencies
C625 to C628
C182
Ramp function generator
t
C012
C013
C105
RFG S shape
Ti S shape
Auto DC brake threshold
FIG 5-4 Process and speed controller for C005 = 0
Show/Hide Bookmarks

Table of Contents

Related product manuals