EasyManua.ls Logo

Lenze EVF9326 - Edsvf9333 V en 3.0-06;2005; Master Frequency Processing (DFSET)

Lenze EVF9326
459 pages
Print Icon
To Next Page IconTo Next Page
To Next Page IconTo Next Page
To Previous Page IconTo Previous Page
To Previous Page IconTo Previous Page
Loading...
Configuration
Function blocks
Master frequency processing (DFSET)
8
8.2
8.2.5
8.2-18
EDSVF9333V EN 3.0-06/2005
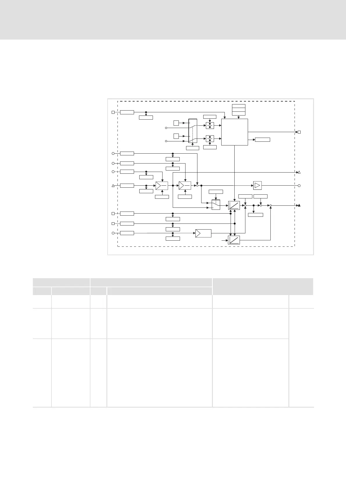
8.2.5 Master frequency processing (DFSET)
The function block prepares the master frequency for the controller. You can
select values for the stretching and gearbox factor and carry out a speed or
phase trimming.
*
a
b
b
a
*
a
b
b
a
+
+
1
0
+
+
C0537
C0536/2
C0536/1
C0033
C0533
C0530
C0252
C0536/3
C0538/2
C0539
DFSET
DFSET-NOUT
+
-
DFSET-A-TRIM
DFSET-N-TRIM
DFSET-RAT-DIV
DFSET-RESET
DFSET-IN
DFSET-PSET
DFSET-VP-DIV
DFSET-POUT
DFSET-SET
C0538/3
+
+
C0253
C0531
C0535
C0532
2
1
2
1
E4
E5
X5
X5
X9/6,7
MCTRL-PHI-ACT
C0538/1
DFSET-0-PULSE
DFSET-ACK
C0525
C0522
C0524
C0521
C0520
C0527
C0526
C0523
C0546
C0534
C0429
*
C0529
C0528/1
C0528/2
CTRL
MCTRL-PHI-ACT
fb_dfset
Fig. 8.2-14 Digital frequency processing (DFSET)
Codes for parameter setting
Code Possible settings IMPORTANT
No. Name Lenze Selection
C0033 GEARBOX
DENOM
1 1 {1} 32767 Gearbox factor - denominator of
the function block DFSET
8.2-18
C0252 Angle offset 0 -245760000 {1 inc.} 245760000 Phase offset for master frequency
processing, function block DFSET
z Fixed phase offset for digital
frequency configuration
z 1 rev. = 65536 inc
8.2-18
C0253 Angle n-trim Æ -32767 {1 inc.} 32767 Speed-dependent phase
trimming for the master
frequency processing, f unction
block DFSET
Æ depending on C0005, C0025,
C0490
z Change of C0005, C0025 or
C0490 resets C0253 to the
corresponding Lenze setting
z 1 rev. = 65536 inc
z Value in C0253 is reached at
15000 rpm
Description

Table of Contents

Related product manuals