EasyManua.ls Logo

Lenze EVS9323-EK - Page 170

Lenze EVS9323-EK
524 pages
Print Icon
To Next Page IconTo Next Page
To Next Page IconTo Next Page
To Previous Page IconTo Previous Page
To Previous Page IconTo Previous Page
Loading...
Function block library
7-53
SHB9300CRV EN 2.0
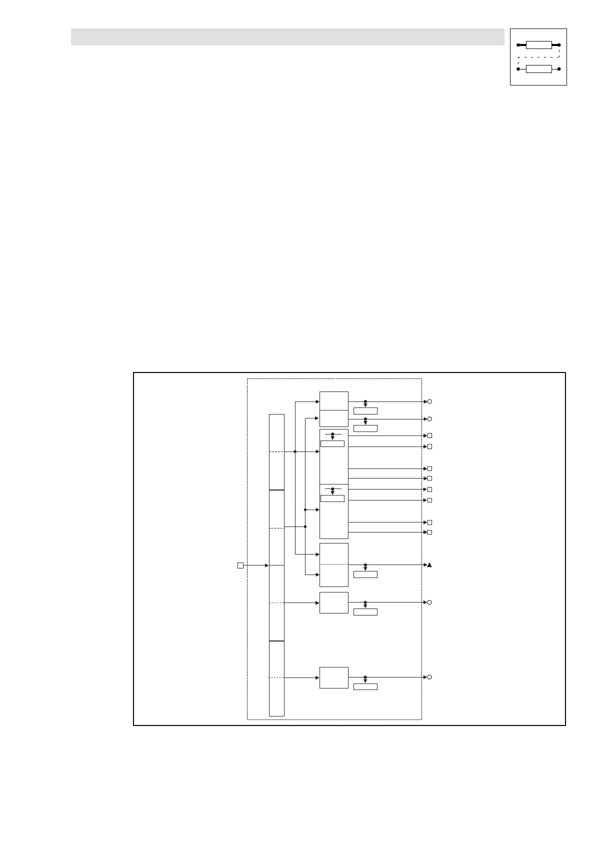
Function
The input signals of the 8 byte user data of this CAN object are converted into corresponding signal
types. The signals can be used via further function blocks.
Byte 1 and 2
Byte 1 and 2 form the control word for the controller. The bits 3, 8, 9, 10, and 11 of these bytes are
directly transferred to the function block DCTRL, where they are linked to other signals. The other
11 bits can be used to control further function blocks.
Byte 3 and 4
form the signal to CAN-IN1.W1.
Byte 5, 6, 7 and 8
The meaning of these user data can be selected among different signal types. Depending on the
requirement, these data can be evaluated as up to 2 analog signals, 32 digital signals or one phase
signal.Mixed forms are also possible.
CAN-IN2
Theprocessdataobject CAN-IN2is provided for theevent-driventransmission of process dataand
for communication among the controllers. However, decentralized inputs can also be evaluated.
16 Bit
16 Bit
CAN-IN2.W 1
CAN-IN2.W 2
16 binary
signals
16 B it
Low W ord
16 Bit
High W ord
16 binary
signals
16 Bit
CAN-IN2.W 3
CAN-IN2.B15
CAN-IN2.B0
CAN-IN2.D1
B y te 3 ,4
B y te 5 ,6
B y te 7 ,8
System bus
X4
CAN-IN2
Bit 0
Bit 15
CAN-IN2.B14
CAN-IN2.B1
CAN-IN2.B31
CAN-IN2.B16
CAN-IN2.B30
CAN-IN2.B17
......
C 0867/2
C 0866/6
C 0866/4
C 0863/3
C 0863/4
C 0866/5
B y te 1 ,2
16 Bit
CAN-IN2.W 4
C 0866/7
Fig. 7-45 System bus (CAN-IN2)
Show/Hide Bookmarks

Table of Contents

Related product manuals