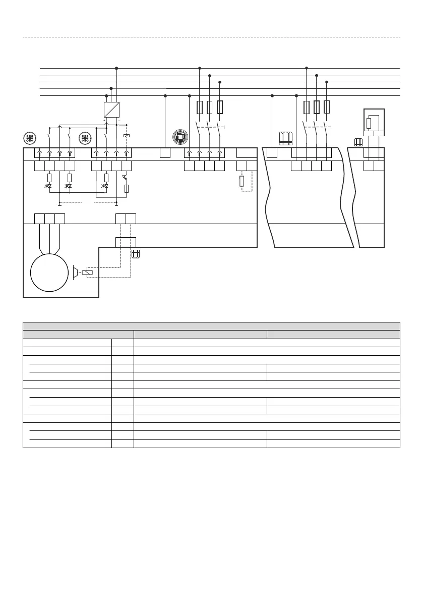
Anschluss Einzelantrieb nach UL 61800-5-1
L1
3/N/PE AC 400/480 V
L1
L2
L3
N
PE
F1 … F3
L2
L3
SELV/PELV
DC 24 V
(+19.2 … +28.8 V)
5.6k
5.6k
R
b
M
3~
Rb1 Rb2
V
U
W
+
+
X3
X4
+
1 2 3
BD1BD2
X2
1 2 3
4
X1
1 2 3
4
X5
max. 50 mA
X6
GND
-I
DI1DI2
n. c.
5.6k
GND
-O
DO1DI324V
DC
AC
Q
400
1
23
4 1
23
4
Rb1 Rb2
X4
R
b
Rb1 Rb2
390
①
L1
F1 … F3
L2
L3
+
+
X3
Q
① GND ist gebrückt, wenn auf dem Typenschild die Ausführung "DI/DO−GND bridged" angegeben ist.
Sicherungsdaten (F1 ... F3)
Motor MSEMA☐☐063-42 MSEMA☐☐080-32
Leitungsinstallaon nach UL 61800-5-1
Schmelzsicherung
Norm UL 248
Typ. Bemessungsstrom A 3 6
Max. Bemessungsstrom A 3 10
Halbleitersicherung
Norm UL 248
Typ. Bemessungsstrom A 3 6
Max. Bemessungsstrom A 3 10
Sicherungsautomat
Norm UL 489
Typ. Bemessungsstrom A 15 15
Max. Bemessungsstrom A 15 15
Elektrische Installaon
Netzanschluss
Anschluss nach UL
22