EasyManua.ls Logo

Lenze I51AE175F - Page 19

Lenze I51AE175F
487 pages
Print Icon
To Next Page IconTo Next Page
To Next Page IconTo Next Page
To Previous Page IconTo Previous Page
To Previous Page IconTo Previous Page
Loading...
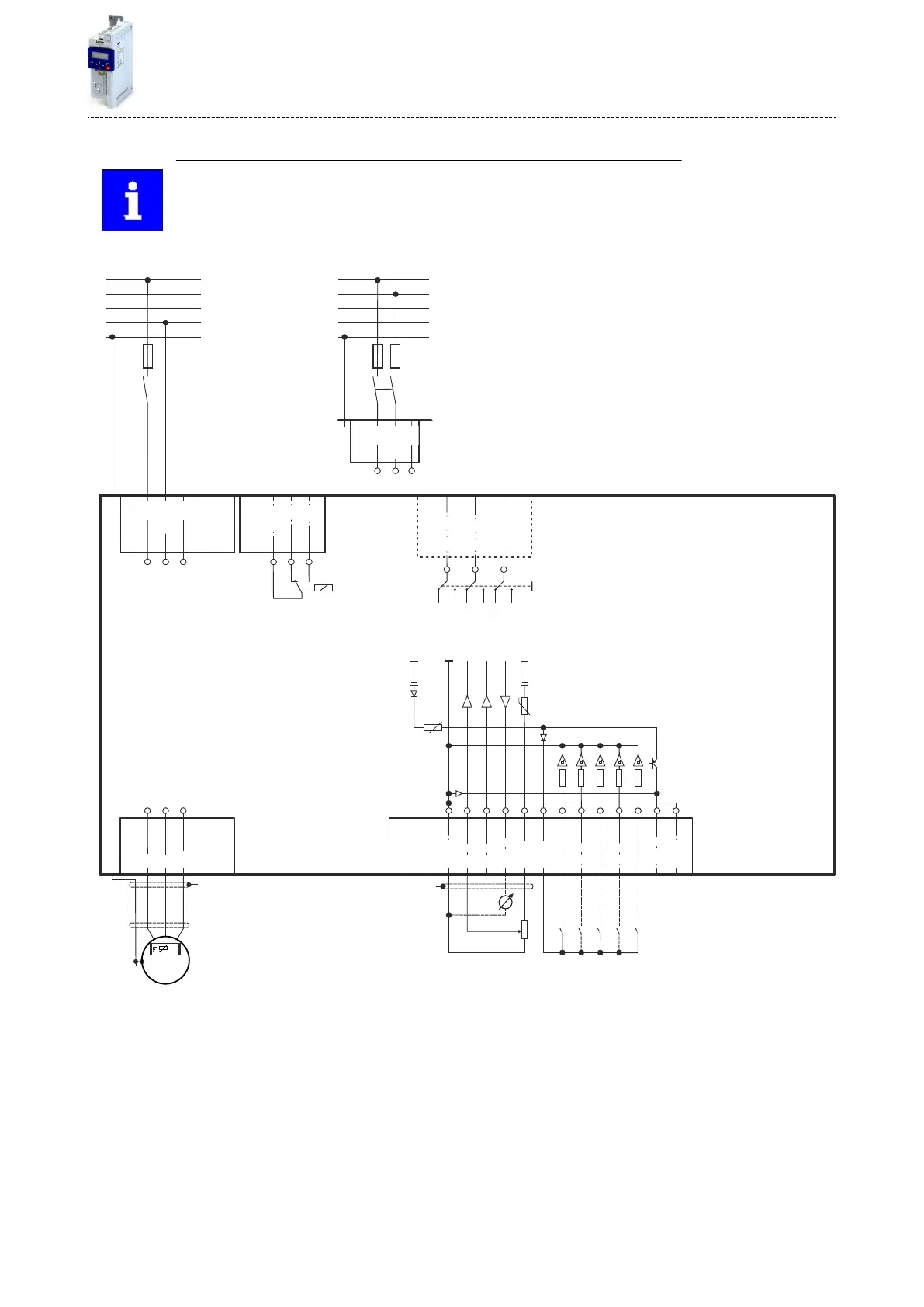
The connecon plan is valid for the inverters I51AExxxD.
Inverters I51AExxxD do not have an integrated RFI lter in the AC mains supply.
In order to meet the EMC requirements according to EN 61800−3, an external
EMC lter according to IEC EN 60939 must be used.
The user must verify that the conformity with EN 61800−3 is fullled.
/ CL TA
/ CG COM
/ CH TB
X216
CANopen/Modbus
Modbus
CH
TB
CL
TA
CG
COM
1k ... 10k
0 ... 10 V
S1
"
100 mA
+24 V
Basic I/O
GND
1 DO
4.4k
1 DI
4.4k
2 DI
4.4k
3 DI
4.4k
4 DI
4.4k
5 DI
1 AI
2 AI
+10 V
10 mA
10V
GND
1 AO
24V
X3
X105
U
V
W
+
"
M
3~
+
J
J
NC
NO
COM
X9
AC 240 V
3 A
2/ PE
170 V ... 264 VAC
45 Hz ... 65 Hz
+
F1
F2
Q1
X100
L1
L2/N
L3
X100
L1
L2/N
L3
F1
Q1
PE
N
L3
L2
L1
3/N/ PE
208 V ... 240 VAC
PE
N
L3
L2
L1
+
1/N/PE
170 V ... 264 VAC
45 Hz ... 65 Hz
3/N/ PE
400 VAC
Fig. 2: Wiring example
S1 Start/Stop
Fx Fuses
Q1 Mains contactor
--- Dashed line = opons
Electrical installaon
Mains connecon
1-phase mains connecon 230/240 V
19

Table of Contents

Other manuals for Lenze I51AE175F

Related product manuals