EasyManua.ls Logo

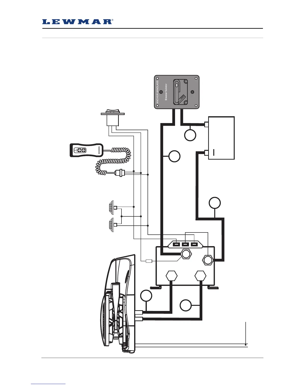
Lewmar V700 - 5.5 Contactor Wiring Diagram

Lewmar V700
20 pages
Print Icon
To Next Page IconTo Next Page
To Next Page IconTo Next Page
To Previous Page IconTo Previous Page
To Previous Page IconTo Previous Page
Loading...
Lewmar V700 Vertical Winlass ref 65001022 iss.5 | 9
35 A Breaker/Isolator
BATTERY
Fuse
3 A
Contactor
0052531 - 12 V
68000604
E
A
B
D
C
+
+
Guarded Rocker
Switch
68000593
Foot Switches
Hand Held Control
R
BATTERY
12 VOLT
Down
Up
Shared
UP
DOWN
Small red and black sleeved wires are sensor wires to chain counter if fitted.
5.5 V700 Wiring diagram (contactor)