EasyManua.ls Logo

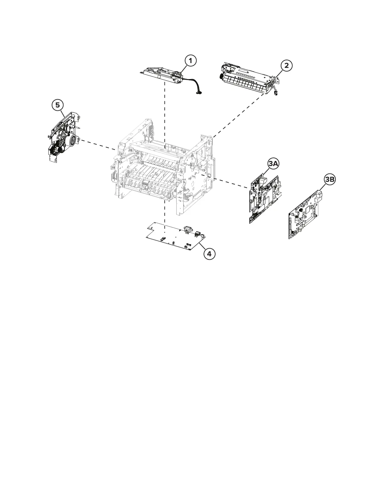
Lexmark MS621 - Assembly 3: Electronics 1

Lexmark MS621
318 pages
Print Icon
To Next Page IconTo Next Page
To Next Page IconTo Next Page
To Previous Page IconTo Previous Page
To Previous Page IconTo Previous Page
Loading...
Assembly 3: Electronics 1
4600-830, -835, -895
Parts catalog
263

Table of Contents

Other manuals for Lexmark MS621

Related product manuals