EasyManua.ls Logo

LG 32LT75/76 - Page 25

LG 32LT75/76
33 pages
Print Icon
To Next Page IconTo Next Page
To Next Page IconTo Next Page
To Previous Page IconTo Previous Page
To Previous Page IconTo Previous Page
Loading...
LGE Internal Use OnlyCopyright © 2007 LG Electronics. Inc. All right reserved.
Only for training and service purposes
- 25 -
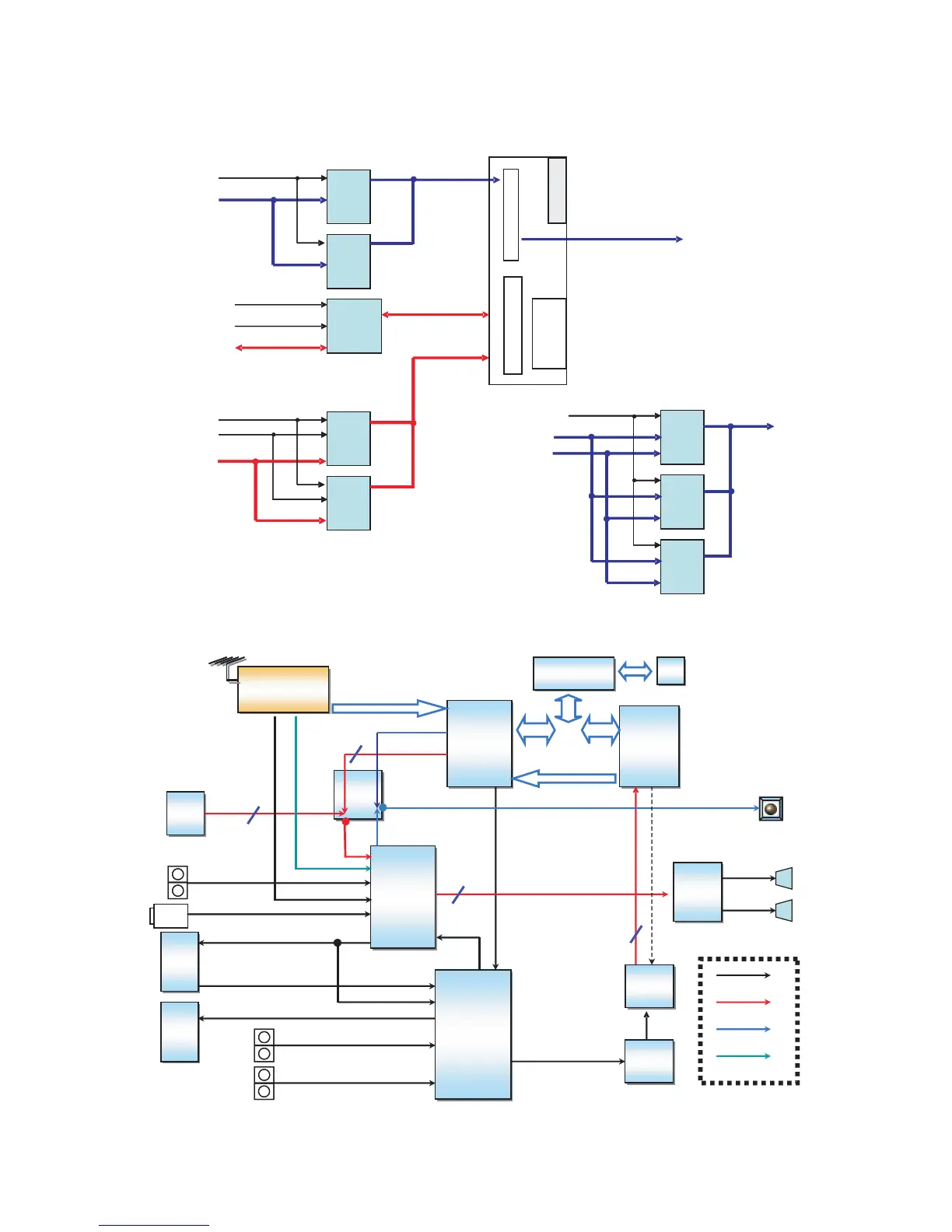
74LCX157
MUX
TS_SEL
74LCX157
MUX
74LCX157
MUX
From D- tuner FE_TS1_DATA
Descrambled TS
TS1_DATA
A
B
L A
H B
To STi5100
74LVC541
3state
buffer
74LVC245
Transceiver
With direction
3state
74LVC541
3state
buffer
TS_SEL_CI
L->
->
->
->
->
->
->
->
->
->
->
->
enable
H disable
FMI_D
FMICS1
D_T/ R (dir)
74LCX373
Latch
74LCX373
Latch
CI_CS
FMI_A
CI_LATCH
LB input
HA input
A
B
Lenable
HZ
Lenable
HZ
Lprevious
H enable : FMI_A = CI_ADDR
CI_TS_DATA
Descrambled TS
CI_ADDR
CI_DATA
From D-tuner FE_TS1_DATA
Scrambled TS
From D-tuner FE_TS_DATA
Scrambled TS
DescramblerDescrambler
CI Module
smart card
interface
Microprocessor
CI_TS_DATA
Descrambled TS
Scart
1
Scart
1
Scart
2
Scart
2
cxa2069q
cxa2069q
MSP4450K
MSP4450K
TV_L/ R out(3,1pin)
DTV/MNT_LROUT(3,1pin)
Scart1_Lrin(6,2pin)
Comp
J1200
Comp
J1200
PC-audio
J1100
PC-audio
J1100
PC_AudioLR
Comp_Rin/Lin
Av2
J1201
Av2
J1201
Side AV
P1400
Side AV
P1400
AV2_Lin/ Rin
Lin5/ Rin5
AV_L/ R out
ANX
9021
ANX
9021
STi5100
STi5100
DTV_Lout
DTV_Rout
74LCX157
MUX
74LCX157
MUX
33
33
DVB/ PAL
Tuner
TDFC-G106P
DVB/ PAL
Tuner
TDFC-G106P
DVB/ PAL
Tuner
TDFC-G106P
DVB/ PAL
Tuner
TDFC-G106P
SIF
AM-Audio
For SECAM
TS1
uPD61151
Encoder
uPD61151
Encoder
JM20330
SATA Bridge
JM20330
SATA Bridge
TS1
FMI_BUS
DATA 16bit
MC33078
MC33078
CS5331
ADC
CS5331
ADC
DVR_L/ R
33
HDD
HDD
STA333W
AMP
STA333W
AMP
33
SPDIF_MSP
SPDIF_STI
SPDIF OUT
J400
SPK_L_OUT
3pin wafer
SPK_R_OUT
4pin wafer
Analog Signal
I2S
SPDIF
SIF
MCLK
4. CI slot composition
5. i-DTV PVR AUDIO PATH

Related product manuals