EasyManua.ls Logo

LG ARWN072BA2 - Leakage Test and Vacuum

LG ARWN072BA2
229 pages
Print Icon
To Next Page IconTo Next Page
To Next Page IconTo Next Page
To Previous Page IconTo Previous Page
To Previous Page IconTo Previous Page
Loading...
46 Outside Unit
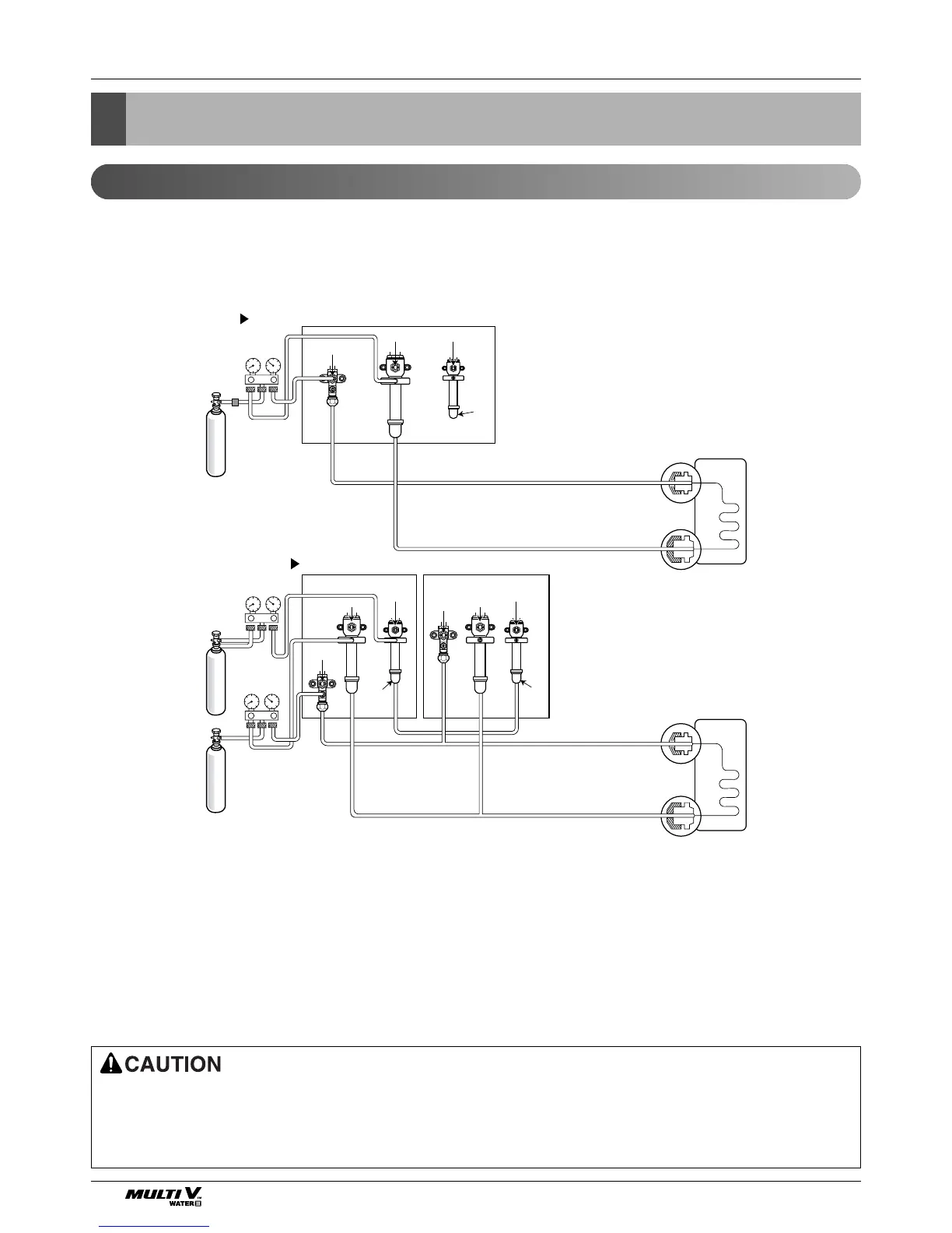
Leakage test and vacuum
Leak test
Close
Indoor unit
Nitrogen gas
Outside unit
Close Close
Close
Liquide pipe
Liquide pipe
Liquide pipe
Gas pipe
Gas pipe
Gas pipe
Liquid side
Gas side
Indoor unit
Nitrogen gas
Nitrogen gas
Liquid side
Gas side
1unit
2Units, 3Units
High/low pressure
common pipe
High/low pressure
common pipe
High/low pressure
common pipe
Close
Close
Slave Unit
Close
Close
Close
Master Unit
Leak test should be m
ade by pressurizing nitrogen gas to 3.8 MPa(38.7kgf/cm
2
). If the pressure does not drop for 24
hours, the system passes the test. If the pressure drops, check where the nitrogen leaks. For the test method, refer to
the following figure. (Make a test with the service valves closed. Be also sure to pressurize liquid pipe, gas pipe and
high/low pressure common pipe). The test result can be judged good if the pressure has not be reduced after leaving
for about one day after completion of nitrogen gas pressurization.
Note:
If the ambient temperature differs between the time when pressure is applied and when the pressure drop is
checked, apply the following correction factor
There is a pressure change of approximately 0.1 kg/cm
2
(0.01 MPa) for each 1°C of temperature difference.
Correction= (Temp. at the time of pressurization – Temp. at the time of check) X 0.1
For example: Temperature at the time of pressurization (3.8 MPa) is 27 °C
24 hour later: 3.73 MPa, 20°C
In this case the pressure drop of 0.07 is because of temperature drop
And hence there is no leakage in pipe occurred.
To prevent the nitrogen from entering the refrigeration system in the liquid state, the top of the
cylinder must be at higher position than the bottom when you pressurize the system.
Usually the cylinder is used in a vertical standing position.
Y branch pipe and header branch pipe type

Table of Contents