EasyManua.ls Logo

LG CM9530 - Portable Circuit Diagram

LG CM9530
87 pages
Print Icon
To Next Page IconTo Next Page
To Next Page IconTo Next Page
To Previous Page IconTo Previous Page
To Previous Page IconTo Previous Page
Loading...
3-67 3-68
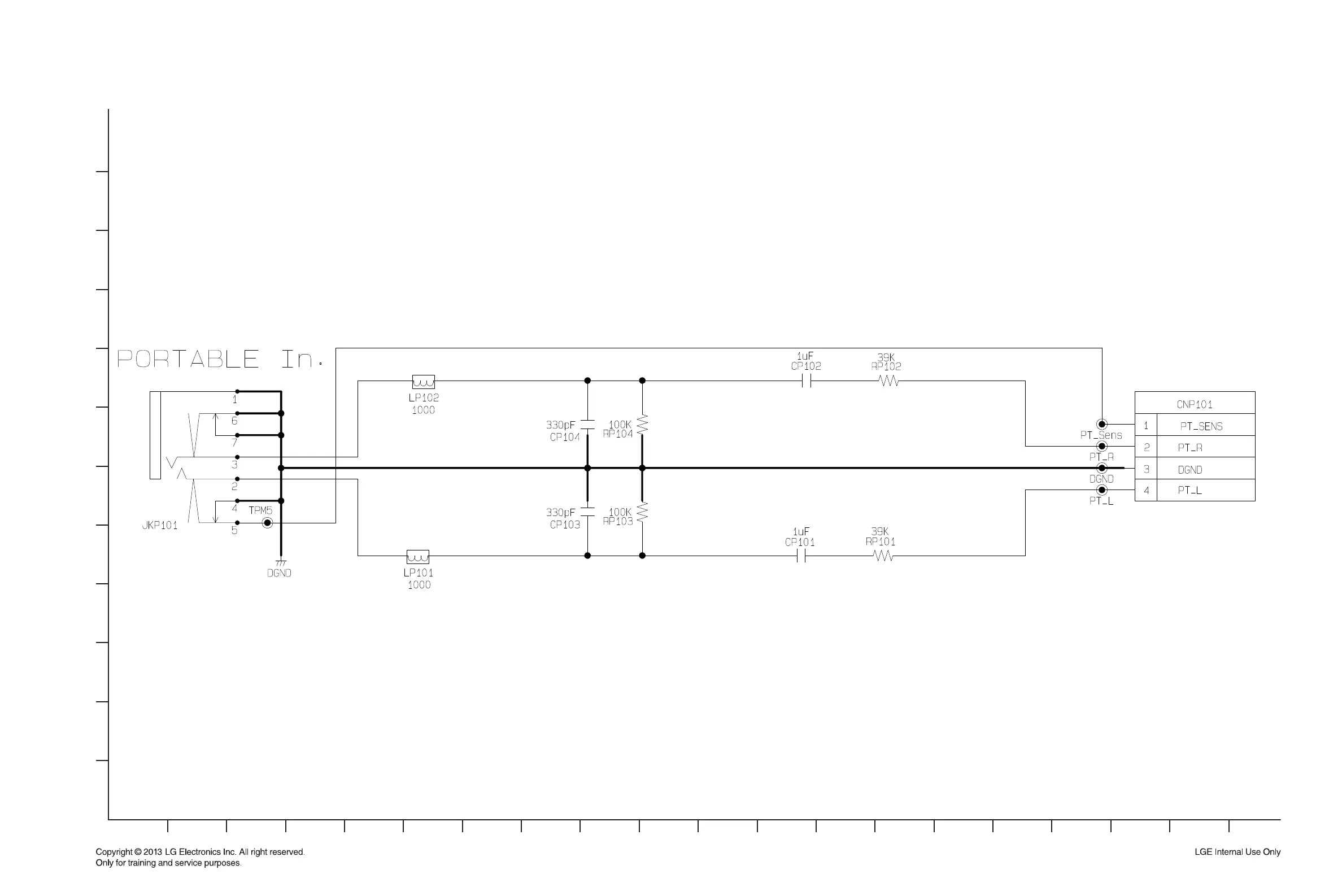
11. PORTABLE CIRCUIT DIAGRAM
A
1
2
3
4
5
6
7
8
9
10
11
12
B C D E F G H I J K L M N O P Q R ST
PORTABLE
EAX65072302_0.1.0_Portable_SD
2013. 01. 17

Table of Contents

Related product manuals