EasyManua.ls Logo

LG D337 - Page 130

LG D337
242 pages
Print Icon
To Next Page IconTo Next Page
To Next Page IconTo Next Page
To Previous Page IconTo Previous Page
To Previous Page IconTo Previous Page
Loading...
5. BLOCK DIAGRAM
- 130 -
Copyright © 2014 LG Electronics. Inc. All right reserved.
Only for training and service purposes
LGE Internal Use Only
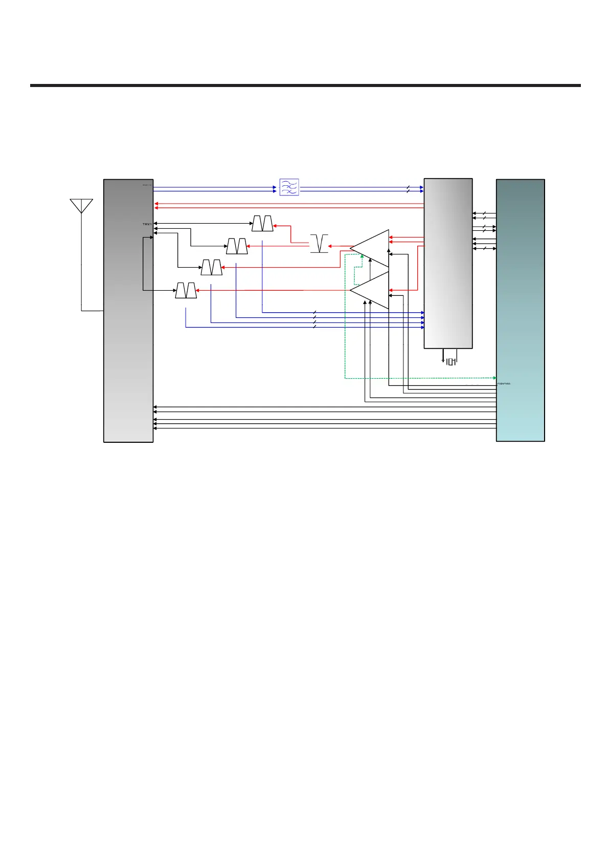
RF Block Diagram
2.RF Block Diagram MT6582 + MT6166 + MT6627 Platform
TRX5
HB RX
2
Main Antenna
GSM HB RX
Filter, Balun
TRX5
TRX6
TX_HB_IN
TX_LB_IN
TRX1
B5 TRX
HB
_
RX
LB_RX
2GHB_TX
2GLB_TX
LFB21914MDZ3D384
Murata
3GTX_I
3GTX_Q
2
2
2
2
2
GSM Quad
UMTS B1/2/5/8
B5 DPX
GSM HB
_
RX
GSM LB RX
GSM HB TX
GSM LB TX
TRX1
TRX2
TRX3
TRX4
SFX836UZ102
WISOL
SFX836UZ102
WISOL
B8 TR
X
B1 TRX
B2 TRX
BSG12PL6
Separator B5/8
3GH1_TX
3GLB_TX
3GH2_TX
PAM
SKY77758
RX_I
RX_Q
BSI_CLK
BSI_EN
BSI_DATA
2
2
3
B8 DPX
B1 DPX
Coupling
MT6582
MT6166
SFXG50UZ502
WISOL
SAYRF1G88CA0B0A
Murata
PAM
SKY77762
B2 DPX
Coupling
SKY77589
MT6582
3GB1_RX
3GB5_RX
3GB8_RX
3GB2_RX
2
2
2
2
26MHz
OZ26000004
DET
GPIO59
3G
_
PA
_
B1
_
EN
TX_EN
VRAMP
BS2
BS1
GPIO59
GPIO61
GPIO60
GPIO72
GPIO73
ANT_SW_SEL_0
ANT_SW_SEL_1
_ _ _
3G_PA_LB_EN
3G_PA_B2_EN
PA_MODE_SEL0
PA_MODE_SEL1
GPIO53
APC
GPIO50
GPIO51
BS1
MODE
A
NT_SW_SEL_2
GPIO51
GPIO52

Related product manuals