EasyManua.ls Logo

LG D337 - Page 86

LG D337
242 pages
Print Icon
To Next Page IconTo Next Page
To Next Page IconTo Next Page
To Previous Page IconTo Previous Page
To Previous Page IconTo Previous Page
Loading...
4. DOWNLOAD
- 86 -
Copyright © 2014 LG Electronics. Inc. All right reserved.
Only for training and service purposes
LGE Internal Use Only
FB6201 220
1
2
FB6200 220
1
2
C6201 0.1u
1
2
+1V8_MTK_VIO
SCL
SDA
HPVDD
SPVDD
IN3- OUT+
OUT-
HPL
IN3+
HPR
CP
IN1+
-CN
IN1-
IN2+
IN2-
BIAS
CPVDD
-CPVSS
GND
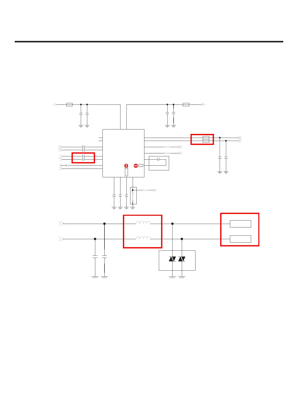
TPA2058D3
U6200
D3C1E2A2
B4
A4
B3
E1
A3
D1
A1
C3
B1
E4
E3C4
D4D2
B2
C2
C6202 2.2u
1
2
4.7uC6200
1
2
C6203 0.1u
1
2
1n C6206
1
2
1n C6207
1
2
C6210
2.2u
12
C6213 2.2u
1
2
2.2uC6212
1
2
2.2uC6211
1
2
R6925 0
2
1
VBAT
47n
C6208
47n
C6209
DNIR6924
21
FB6203 60
12
FB6202 60
12
COMMON_I2C_SDA
COMMON_I2C_SCL
SPK_AMP_P
SPK_AMP_N
HPH_AMP_R
HS_GND
SPK_P
SPK_N
HPH_L
HPH_R
HPH_AMP_L
C6205
1
2
2.2U
C6204
1
2
2.2U
R6613
2
1
0
R6614
2
1
0
FEED
ANT6200
MBV62562001
1
FEED
MBV62562001
ANT6201
1
VA6923
2
1
VA6924
2
1
51nL6700
2
1
51nL6701
21
33pC6700
1
2
33pC6701
1
2
SPK_AMP_P
SPK_AMP_N
Main PCB
L6700, L6701
C6208, C6209
FB6202, FB6203

Related product manuals