EasyManua.ls Logo

LG D337 - Page 97

LG D337
242 pages
Print Icon
To Next Page IconTo Next Page
To Next Page IconTo Next Page
To Previous Page IconTo Previous Page
To Previous Page IconTo Previous Page
Loading...
4. DOWNLOAD
- 97 -
Copyright © 2014 LG Electronics. Inc. All right reserved.
Only for training and service purposes
LGE Internal Use Only
4.TroubleShooting
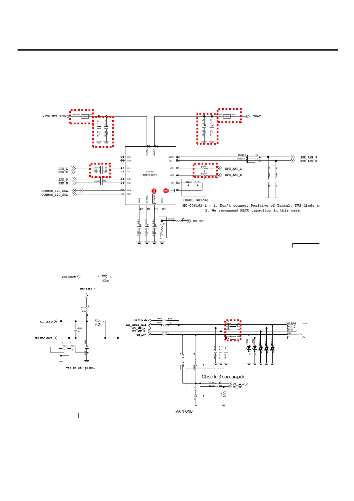
Case B. No Sound from Headset
24
Check the input power VBAT and+1V8_MTK_VIO . (FB6200, FB6201, C6200, C6201, C6202, C6203)
In case of you can’t heard anything, check C6204, C6205, R6613, R6614, FB6601, FB6602.

Related product manuals