EasyManua.ls Logo

LG DOAS - Page 19

LG DOAS
56 pages
Print Icon
To Next Page IconTo Next Page
To Next Page IconTo Next Page
To Previous Page IconTo Previous Page
To Previous Page IconTo Previous Page
Loading...
Due to our policy of continuous product innovation, some specifications may change without notification.
LG Electronics U.S.A., Inc., Englewood Cliffs, NJ. All rights reserved. “LG Life’s Good” is a registered trademark of LG Corp.
19
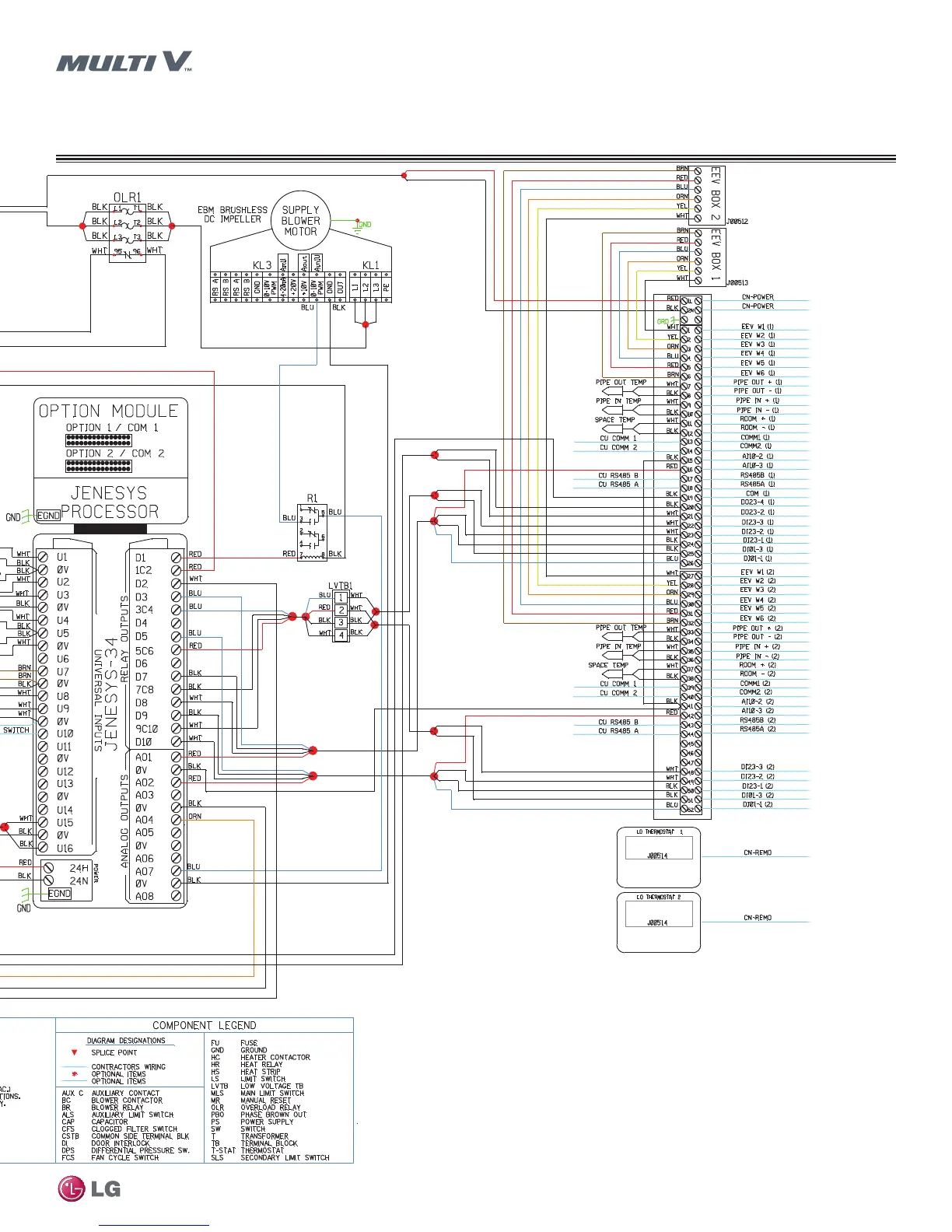
Electrical
WIRING DIAGRAM

Related product manuals