EasyManua.ls Logo

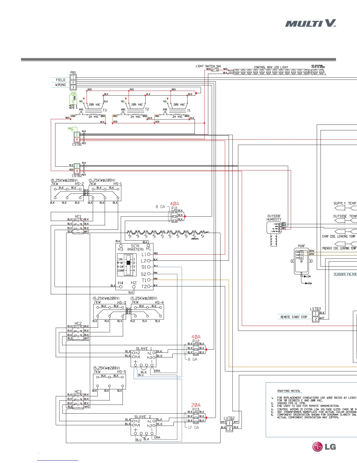
LG DOAS - Wiring Diagram (ARND20 BDAT2 with Preheat)

LG DOAS
56 pages
Print Icon
To Next Page IconTo Next Page
To Next Page IconTo Next Page
To Previous Page IconTo Previous Page
To Previous Page IconTo Previous Page
Loading...
Due to our policy of continuous product innovation, some specifications may change without notification.
LG Electronics U.S.A., Inc., Englewood Cliffs, NJ. All rights reserved. “LG Life’s Good” is a registered trademark of LG Corp.
18
Dedicated Outdoor Air System (DOAS) Installation and Operation Manual
WIRING DIAGRAM
DOAS Model ARND20BDAT2 with Preheat

Related product manuals