EasyManua.ls Logo

LG LB500J - Page 33

LG LB500J
37 pages
Print Icon
To Next Page IconTo Next Page
To Next Page IconTo Next Page
To Previous Page IconTo Previous Page
To Previous Page IconTo Previous Page
Loading...
- 33 -
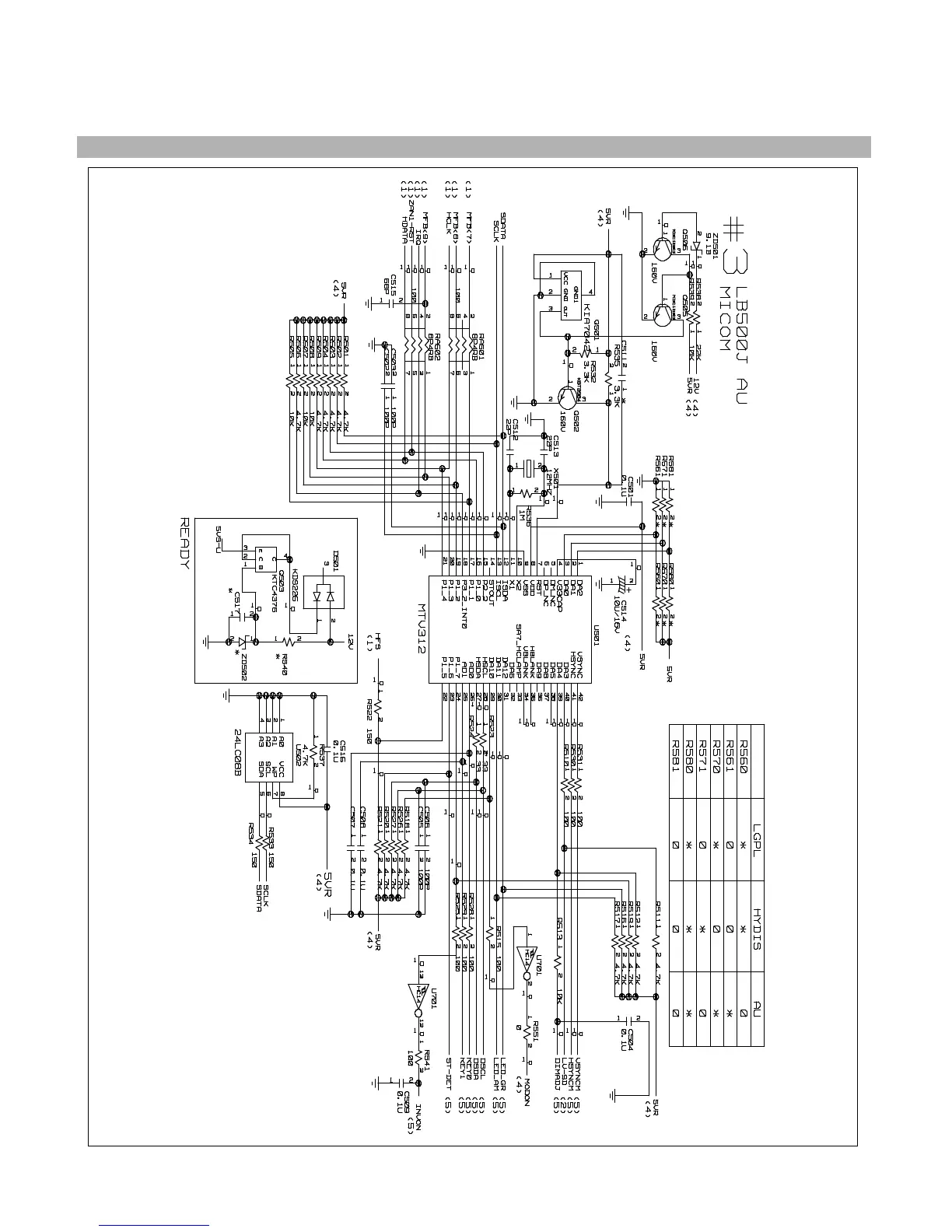
3. MICOM

Related product manuals