EasyManua.ls Logo

LG LS-M3021CL - Outdoor Unit Heat Pump Schematic

LG LS-M3021CL
91 pages
To Next Page IconTo Next Page
To Next Page IconTo Next Page
To Previous Page IconTo Previous Page
To Previous Page IconTo Previous Page
Loading...
-65-
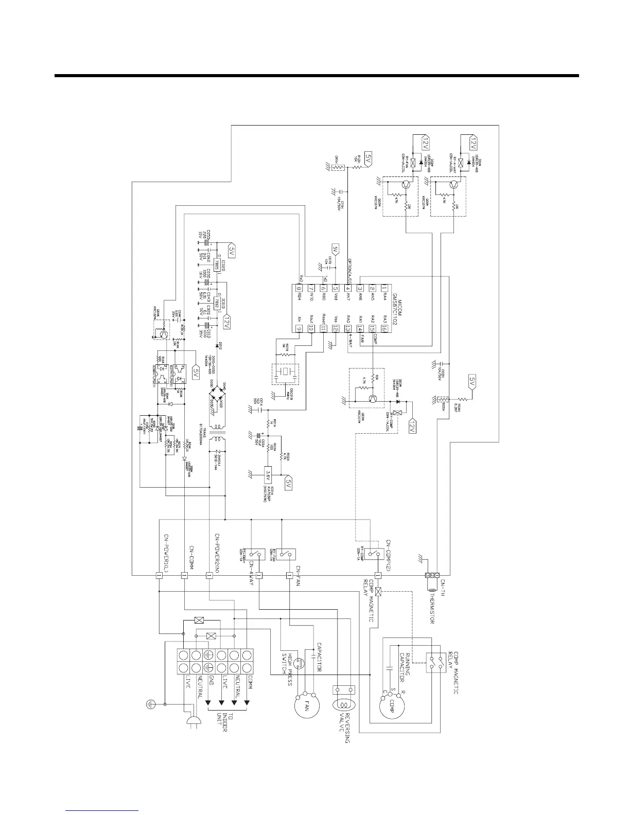
(2) Heat Pump Series (Outdoor Unit)
Model: LS-M3060HL/3061HL/3221HL/3221BL/3061BL/3060BL
55
44
33
22
11

Related product manuals