EasyManua.ls Logo

LG MULTI F - Page 125

LG MULTI F
361 pages
Print Icon
To Next Page IconTo Next Page
To Next Page IconTo Next Page
To Previous Page IconTo Previous Page
To Previous Page IconTo Previous Page
Loading...
21
General Installation Guidelines
Due to our policy of continuous product innovation, some specifications may change without notification.
©LG Electronics U.S.A., Inc., Englewood Cliffs, NJ. All rights reserved. “LG” is a registered trademark of LG Corp.
MULTI
F
MAX
MULTI
F
GENERAL INSTALLATION GUIDELINES
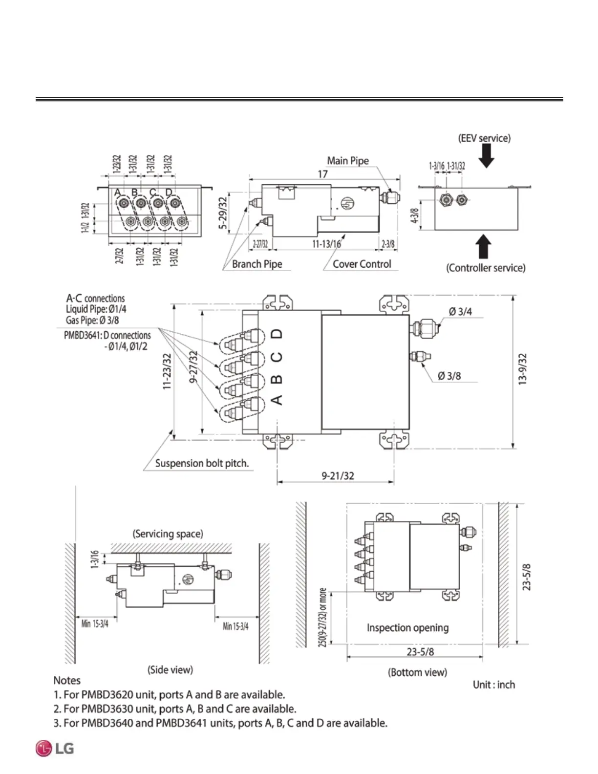
Location for Multi F MAX Branch Distribution Units
Figure 9: PMBD3620, PMBD3630, PMBD3640, and PMBD3641 External Dimensions.

Table of Contents

Other manuals for LG MULTI F

Related product manuals