EasyManua.ls Logo

LG MULTI V 5 ARUM120LTE5 - Leak Test and Vacuum drying; Leak test; Vacuum

LG MULTI V 5 ARUM120LTE5
55 pages
To Next Page IconTo Next Page
To Next Page IconTo Next Page
To Previous Page IconTo Previous Page
To Previous Page IconTo Previous Page
Loading...
29
ENGLISH
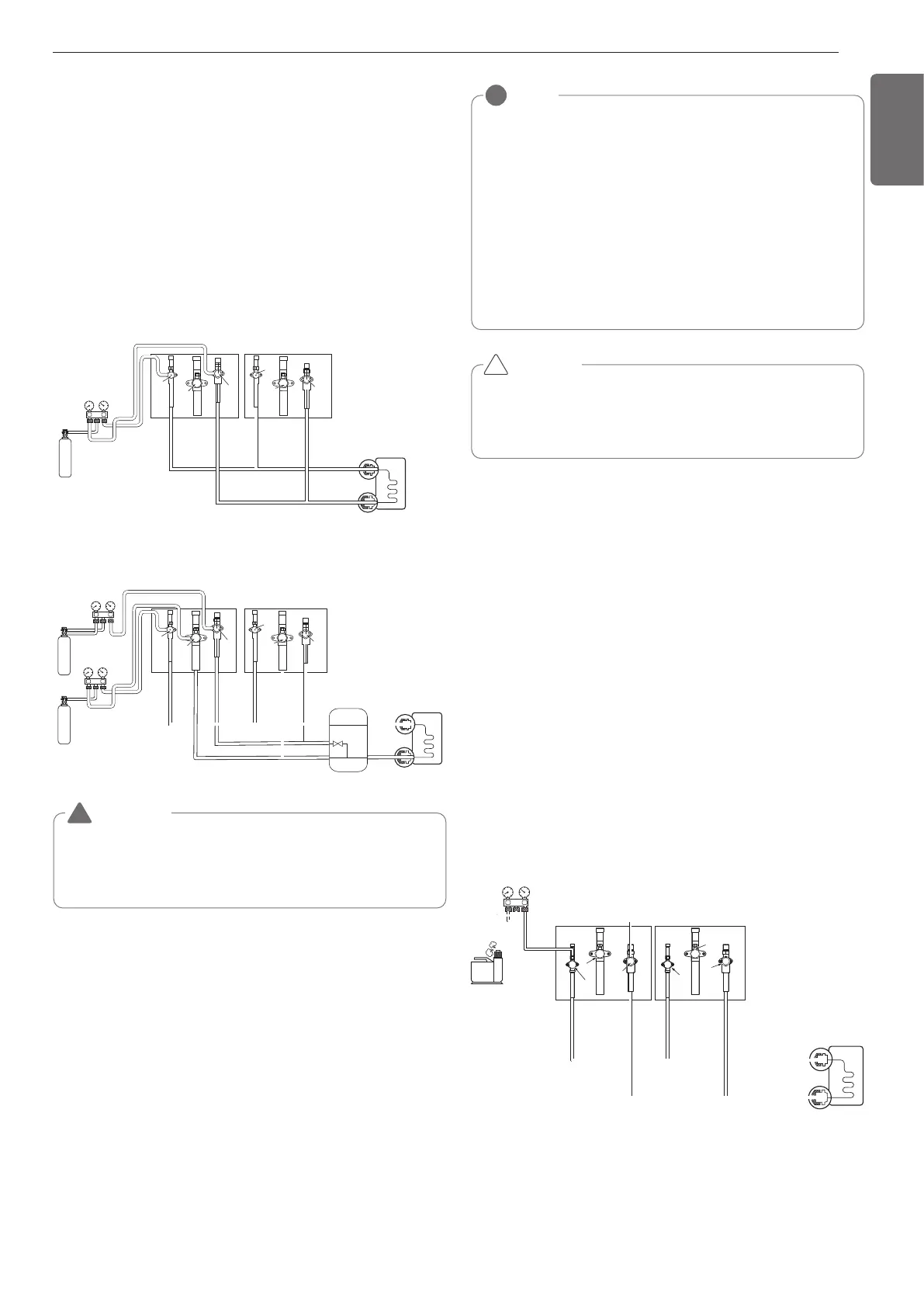
Leak test
Leak test should be made by pressurizing nitrogen gas to 3.8 MPa
(38.7 kgf/cm
2
). If the pressure does not drop for 24 hours, the system
passes the test. If the pressure drops, check where the nitrogen leaks.
For the test method, refer to the following figure. (Make a test with
the service valves closed. Be also sure to pressurize liquid pipe, gas
pipe and high pressure gas pipe)
The test result can be judged good if the pressure has not be reduced
after leaving for about one day after completion of nitrogen gas
pressurization.
Liquid Pipe
Low Pressure
Gas Pipe
High Pressure
Gas Pipe
Liquid Pipe
Low Pressure
Gas Pipe
High Pressure
Gas Pipe
Nitrogen Gas
Cylinder
Nitrogen Gas
Cylinder
Slave 1 outdoor unit Master outdoor unit
Close
Close
Close
Close
Close
Close
Indoor
Unit
Liquid Pipe
HR unit
Gas Pipe
Leak Test and Vacuum drying
When inserting nitrogen
gas of high pressure, it
must be used with
regulator.
Series Installation (Heat Pump)
Series Installation (Heat Recovery)
Liquid Pipe
No use (closed)
Gas Pipe
Liquid Pipe
No use (closed)
Gas Pipe
Slave 1 outdoor unit Master outdoor unit
Nitrogen Gas
Cylinder
Indoor
Unit
Liquid Pipe
Gas Pipe
Close
Close
Close
Close
Close
Close
When inserting nitrogen
gas of high pressure, it
must be used with
regulator.
WARNING
Use a vacuum pump or Inert(nitrogen) gas when doing leakage test
or air purge. Do not compress air or Oxygen and do not use
Flammable gases. Otherwise, it may cause fire or explosion.
- There is the risk of death, injury, fire or explosion.
!
CAUTION
To prevent the nitrogen from entering the refrigeration system in
the liquid state, the top of the cylinder must be at higher position
than the bottom when you pressurize the system.
Usually the cylinder is used in a vertical standing position.
!
Vacuum
Vacuum drying should be made from the service port provided on the outdoor
unit’s service valve to the vacuum pump commonly used for liquid pipe, gas
pipe and high/low pressure common pipe. (Make Vacuum from liquid pipe, gas
pipe and high/low pressure common pipe with the service valve closed.)
* Never perform air purging using refrigerant.
• Vacuum drying: Use a vacuum pump that can evacuate to -100.7 kPa
(-14.6 psi, 5 Torr, -755 mmHg).
- Evacuate the system from the liquid and gas pipes with a vacuum
pump for over 2 hrs and bring the system to -100.7 kPa(-14.6 psi).
After maintaining system under that condition for over 1 hr, confirm
the vacuum gauge rises. The system may contain moisture or leak.
- Following should be executed if there is a possibility of moisture
remaining inside the pipe.
(Rainwater may enter the pipe during work in the rainy season or
over a long period of time)
After evacuating the system for 2 hrs, give pressure to the system
to 0.05 MPa(7.3 psi) (vacuum break) with nitrogen gas and then
evacuate it again with the vacuum pump for 1hr to -100.7 kPa
(-14.6 psi)(vacuum drying). If the system cannot be evacuated to
-100.7 kPa(-14.6 psi) within 2 hrs, repeat the steps of vacuum break
and its drying. Finally, check if the vacuum gauge does not rise or
not, after maintaining the system in vacuum for 1 hr.
NOTE
!
If the ambient temperature differs between the time when pressure is
applied and when the pressure drop is checked, apply the following
correction factor
There is a pressure change of approximately 0.01 Mpa(1.5 psi) for each
33.8 °F (1°C) of temperature difference.
Correction= (Temp. at the time of pressurization – Temp. at the time of
check) X 0.1
For example: Temperature at the time of pressurization
3.8 MPa(551 psi) is 80.6 °F (27 °C)
24 hour later: 3.73 MPa(541 psi), 68 °F
(20 °C) In this case the pressure drop of
0.07 MPa(10psi) is because of temperature
drop And hence there is no leakage in pipe
occurred.
Series Installation (Heat Pump)
Scale
Use a graviometer. (One that can measure
down to 0.1 kg (0.22 lbs)). If you are
unable to prepare such a high-precision
gravimeter you may use a charge cylinder.
Indoor unit
Liquid pipe
Gas pipe
Gas pipe
Liquid pipe
No use (closed)
No use (closed)
Liquid side
Gas side
Slave 1 outdoor unit Master outdoor unit
Close
Close
Close
Close
Close
Close

Table of Contents

Related product manuals