EasyManua.ls Logo

LG StudioWorks E700B - Page 34

LG StudioWorks E700B
38 pages
Print Icon
To Next Page IconTo Next Page
To Next Page IconTo Next Page
To Previous Page IconTo Previous Page
To Previous Page IconTo Previous Page
Loading...
- 34 -
HSYNC
(TTL level)
15
VERTICAL
SYNC INPUT
AND POLARITY
CORRECTION
VERTICAL
OSCILLATOR
AND AGC
HORIZONTAL
OUTPUT
STAGE
HORIZONTAL
OSCILLATOR
EW-OUTPUT
HORIZONTAL PINCUSHION
HORIZONTAL CORNER
HORIZONTAL TRAPEZIUM
HORIZONTAL SIZE
23
24 22
21
31 11
6
4
3
5
B+ CONTOL
APPLICATION
PLL1 AND
HORIZONTAL
POSITION
PLL2, PARALLELOGRAM,
PIN UNBALANCE AND
SOFT START
Clamping
Blanking
(video)
26 27 28
29
1
HFLB
10nF
(2%)
R
HBUF
R
HREF
(1%)
X-RAY
22
k
(1%)
8.2
nF
VERTICAL
SYNC
INTEGRATOR
EHT COMPENSATON
HORIZONTAL SIZE
AND
VERTICAL SIZE
VERTICAL OUTPUT
VERTICAL LINEARITY
VERTICAL LINEARITY
BALANCE
VIDEO CLAMPING
AND
VERTICAL BLANK
HUNLOCK
OUTPUT
I C-BUS
RECEIVER
H/C SYNC INPUT
AND POLARITY
CORRECTION
VERTICAL POSITION
VERTICAL SIZE, VOVSCN
I C-BUS REGISTERS
PRETECTION
AND SOFT START
SUPPLY
AND
REFERENCE
COINCIDENCE DETECTOR
FREQUENCY DETECTOR
TV MODE
X-RAY
PRETECTION
FOCUS
VERTICAL
B+
CONTROL
TDA4857
100
nF
(5%)
150
nF
VREF
VCAP VAGC
VSMOD
HSMOD
EWDRV
EHT compensation
via vertical size
EHT compensation
via horizontal size
7V
12V
VSYNC
(TTL level)
14
CLBL
16
17
19
18
10
7
25
VCC
9.2 to 16V
PGND
SGND
HUNLOCK
SDA
SCL
3.3K
100nF
HPLL1
HBUF
HREF
HCAP
30
HPLL2
8.2nF
92
XSEL
XRAY
HDRV
8
12
13
VOUT2
VOUT1
20
i.c
32 FOCUS
BDRV
BSENS
BOP
BIN
2
2
2
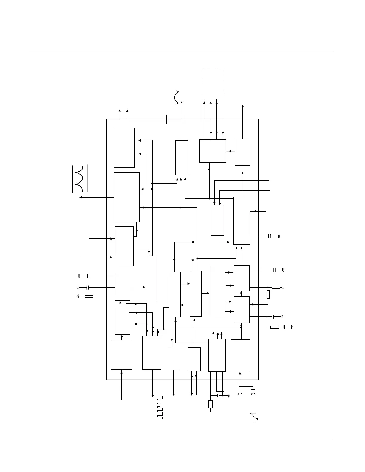
BLOCK DIAGRAM FOR TDA4853/4857

Related product manuals