EasyManua.ls Logo

LG Tri-Zone Multi F - Refrigerant Flow Diagrams

LG Tri-Zone Multi F
77 pages
Print Icon
To Next Page IconTo Next Page
To Next Page IconTo Next Page
To Previous Page IconTo Previous Page
To Previous Page IconTo Previous Page
Loading...
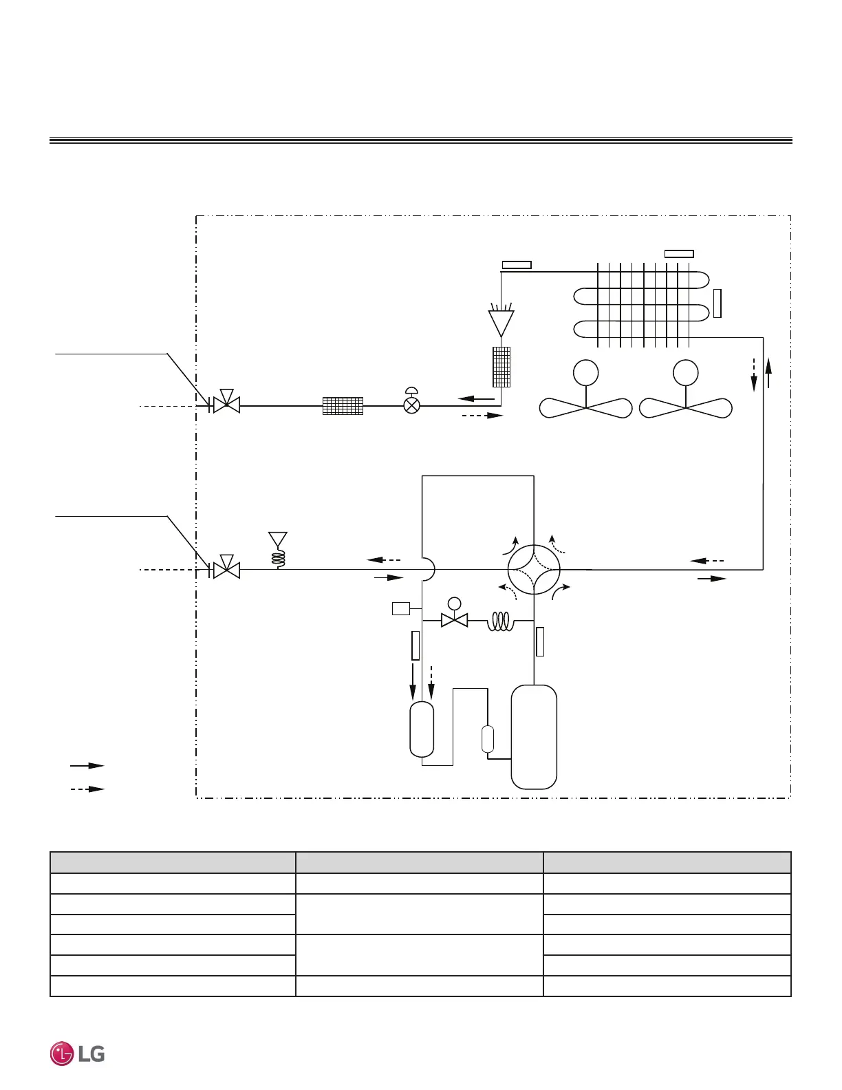
Refrigerant Flow Diagram
MULTI F MAX OUTDOOR UNIT
Figure 26: LMU480HV, LMU540HV, and LMU600HV Refrigerant Flow Diagram.
M M
Discharge Pipe
Temperature
Thermistor
Suction Pipe
Temperature
Thermistor
Inverter
Accumulator
Fusible Plug
Compressor
Heat Exchanger Outlet
Temperature
Thermistor
Inlet Air
Temperature
Thermistor
Outdoor Unit
Ø 3/8 Flare Connection
Heat
Exchanger Inlet
Temperature
Thermistor
: Cooling
: Heating
Pressure
Sensor
Electronic
Expansion
Valve
Ø 3/4 Flare Connection
S
Unit: Inch
Hot Gas
Bypass
Valve
Description LMU480-540HV PCB Connectors LMU600HV PCB Connectors
Heat Exchanger Inlet Temperature Thermistor CN-TH3 CN_MID_BR
Heat Exchanger Outlet Temperature Thermistor
CN-TH1
CN_C_PIPE_VI
Inlet Air Temperature Thermistor CN_AIR_YL
Discharge Pipe Temperature Thermistor
CN-TH2
CN_DISCHA_BK
Suction Pipe Temperature Thermistor CN_SUCTION_GR
Pressure Sensor CN-P/SENSOR(H) CN_H_PRESS_RD
Table 27: LMU480HV, LMU540HV, LMU600HV Thermistor Details.
MULTI F MAX OUTDOOR UNIT | 41
Multi F MAX Outdoor Unit Data
'XHWRRXUSROLF\RIFRQWLQXRXVSURGXFWLQQRYDWLRQVRPHVSHFL¿FDWLRQVPD\FKDQJHZLWKRXWQRWL¿FDWLRQ
©/*(OHFWURQLFV86$,QF(QJOHZRRG&OLIIV1-$OOULJKWVUHVHUYHG³/*´LVDUHJLVWHUHGWUDGHPDUNRI/*&RUS
MULTI
F
MAX
MULTI
F

Other manuals for LG Tri-Zone Multi F

Related product manuals