EasyManua.ls Logo

LG Tri-Zone Multi F - Wiring Diagrams

LG Tri-Zone Multi F
77 pages
Print Icon
To Next Page IconTo Next Page
To Next Page IconTo Next Page
To Previous Page IconTo Previous Page
To Previous Page IconTo Previous Page
Loading...
MULTI F OUTDOOR UNIT
Wiring Diagram
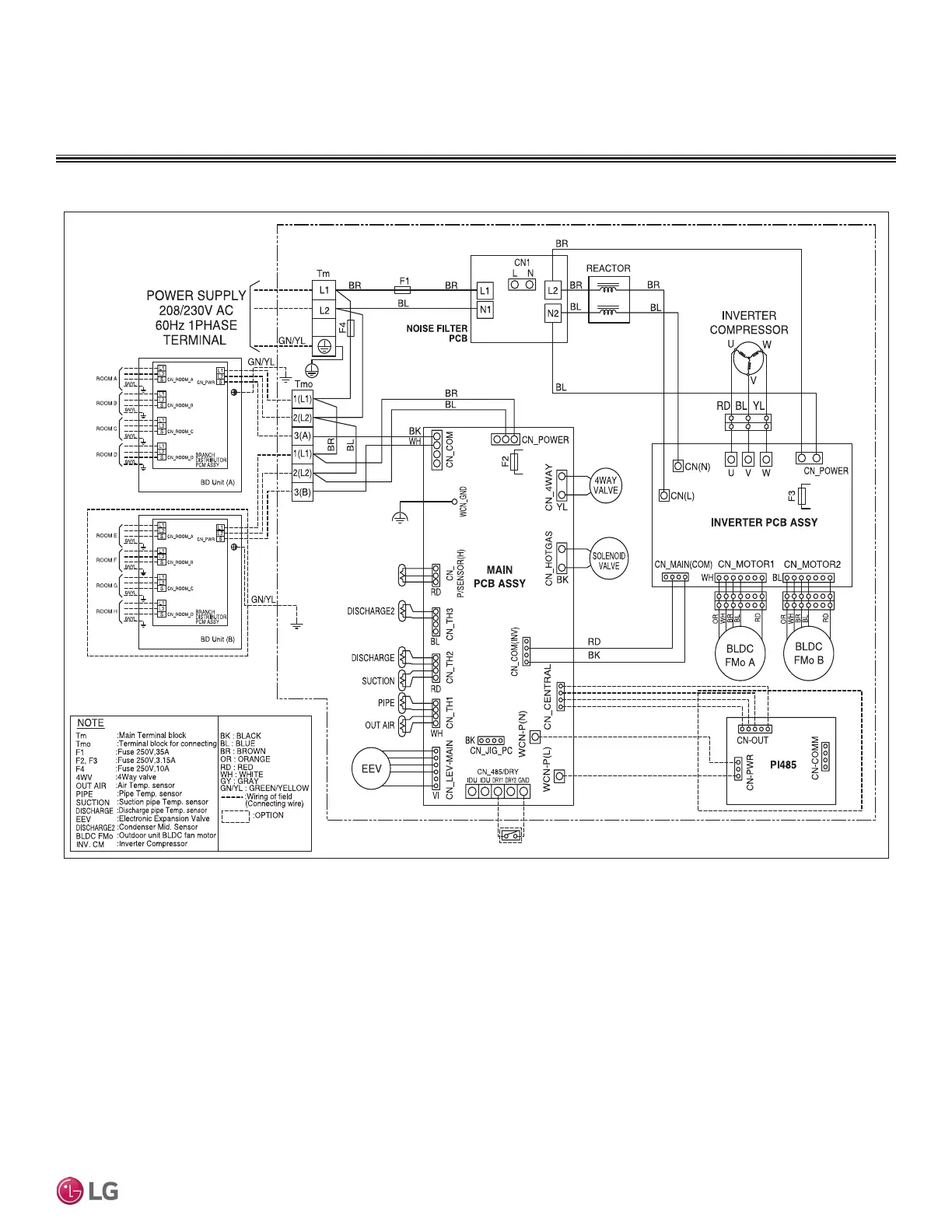
Figure 24: LMU480HV and LMU540HV Wiring Diagram.
MULTI F MAX OUTDOOR UNIT | 39
Multi F MAX Outdoor Unit Data
'XHWRRXUSROLF\RIFRQWLQXRXVSURGXFWLQQRYDWLRQVRPHVSHFL¿FDWLRQVPD\FKDQJHZLWKRXWQRWL¿FDWLRQ
©/*(OHFWURQLFV86$,QF(QJOHZRRG&OLIIV1-$OOULJKWVUHVHUYHG³/*´LVDUHJLVWHUHGWUDGHPDUNRI/*&RUS
MULTI
F
MAX
MULTI
F

Other manuals for LG Tri-Zone Multi F

Related product manuals