EasyManua.ls Logo

LG Tri-Zone Multi F - Page 49

LG Tri-Zone Multi F
77 pages
Print Icon
To Next Page IconTo Next Page
To Next Page IconTo Next Page
To Previous Page IconTo Previous Page
To Previous Page IconTo Previous Page
Loading...
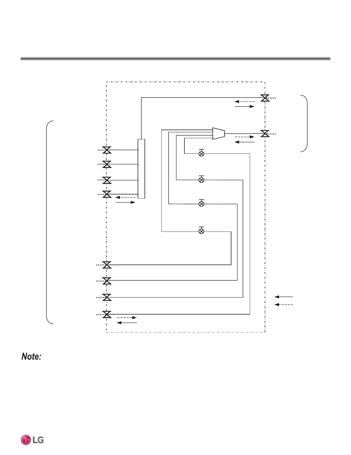
Figure 35: PMBD3620, PMBD3630, PMBD3640, PMBD3641 Refrigerant Flow Diagram.
MULTI F MAX BD UNIT
Refrigerant Flow Diagram
1. Flare connections for field piping installation.
2. Match the BD ports to the indoor unit and outdoor unit piping sizes. Use an adapter if the piping size does not match the piping size of the
connecting indoor unit.
3. EEV: Electronic Expansion Valve
4. PMBD3620 BD Unit supplied with "A, B".
PMBD3630 BD Unit supplied with "A, B, C".
PMBD3640 and PMBD3641 BD Units supplied with "A, B, C, D".
Main gas
piping
(
Ø
3/4)
Refrigerant flow
D Liquid (Ø1/4)
C Liquid (Ø1/4)
B Liquid (Ø1/4)
A Liquid (Ø1/4)
D Gas (Ø3/8)
*PMBD3641
D Gas: Ø1/2
C Gas (Ø3/8)
Cooling
Heating
Main liquid
piping
(
Ø
3/8)
To
Outdoor
Unit
To
Indoor
Units
EEV-C
EEV-B
EEV-A
EEV-D
B Gas (Ø3/8)
A Gas (Ø3/8)
Unit: inch
BD UNIT | 49
Branch Distribution (BD) Unit Data
'XHWRRXUSROLF\RIFRQWLQXRXVSURGXFWLQQRYDWLRQVRPHVSHFL¿FDWLRQVPD\FKDQJHZLWKRXWQRWL¿FDWLRQ
©/*(OHFWURQLFV86$,QF(QJOHZRRG&OLIIV1-$OOULJKWVUHVHUYHG³/*´LVDUHJLVWHUHGWUDGHPDUNRI/*&RUS
MULTI
F
MAX
MULTI
F

Other manuals for LG Tri-Zone Multi F

Related product manuals