EasyManua.ls Logo

LG V181 - Connecting Your Device; Connecting to a Television; S-Video and Progressive Scan Setup

LG V181
36 pages
Print Icon
To Next Page IconTo Next Page
To Next Page IconTo Next Page
To Previous Page IconTo Previous Page
To Previous Page IconTo Previous Page
Loading...
Preparation
9
Connections
Caution:
Make sure this unit is connected directly to the TV.
Set the TV to the correct video input channel.
Do not connect this unit’s AUDIO OUT jack to the
phono in jack (record deck) of your audio system.
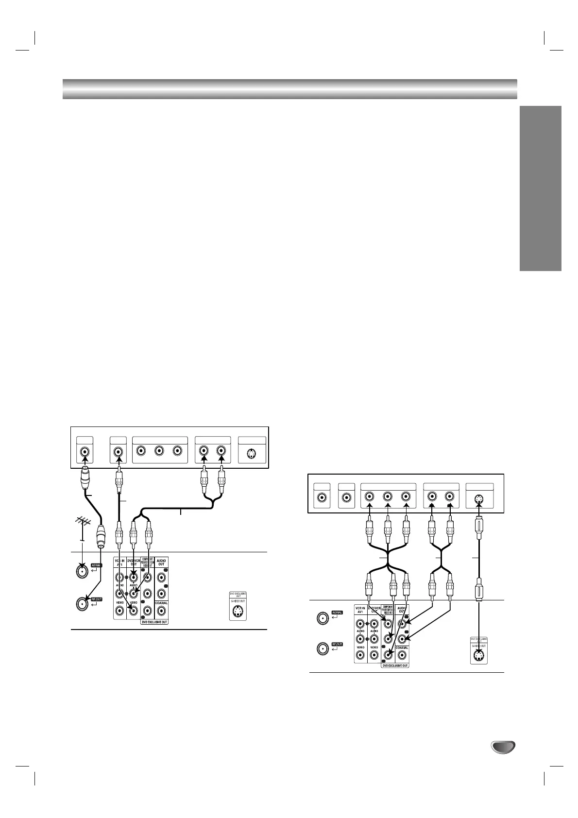
Connecting to a TV
Make one of the following connections, depending on
the capabilities of your existing equipment.
When using the COMPONENT/PROGRESSIVE
SCAN VIDEO OUT jacks, set TV’s input to COMPO-
NENT VIDEO. When using the S-VIDEO OUT jack,
set the TV’ s input to S-VIDEO.
Basic connection (AV)
1. Connect the VIDEO jack on this unit’s DVD/VCR
OUT to the video in jack on the TV using the video
cable (V).
2. Connect the Left and Right AUDIO jacks of this
unit’s DVD/VCR OUT to the audio left/right in jacks
on the TV using the audio cables (A1).
Basic connection (RF)
1. Connect the RF antenna cable from your indoor/
outdoor antenna to AERIAL jack on the rear panel
of this unit.
2. Connect the supplied RF antenna cable from the
RF.OUT jack on the rear panel of this unit to your
television’s Antenna Input (R).
DVD exclusive out connection
Component Video connection
1. Connect the COMPONENT/PROGRESSIVE
SCAN VIDEO OUT jacks on the DVD Player to
the corresponding in jacks on the TV using the
Y Pb Pr cable (C).
2.
Connect the Left and Right AUDIO OUT jacks of the
DVD Player to the audio left/right in jacks on the TV
using the audio cables (A2).
S-Video connection
1. Connect the S-VIDEO OUT jack on this unit to the
S-Video input jack on the TV using the S-Video
cable (S).
2. Connect the Left and Right AUDIO OUT jacks of the
DVD Player to the audio left/right in jacks on the TV
using the audio cables.
Progressive Scan connection
If your television is a high-definition or “digital ready”
television, you may take advantage of the DVD
Player’s progressive scan output for the highest video
resolution possible.
If your TV does not accept the Progressive Scan
format, the picture will appear scrambled if you try
Progressive Scan on the DVD Player.
1. Connect the COMPONENT/ PROGRESSIVE SCAN
VIDEO OUT jacks on the DVD Player to the corre-
sponding in jacks on the TV using the Y Pb Pr cable.
2. Connect the Left and Right AUDIO OUT jacks of the
DVD Player to the audio left/right in jacks on the TV
using the audio cables.
Notes:
Set the Progressive to “On” on the setup menu for
progressive signal, see page 17.
Progressive scan does not work with the analog video
connections (yellow VIDEO OUT jack) or S-VIDEO
connection.
Note:
If the TV has an S-video input, connect the DVD player
with the S-video cable. When using an S-video cable,
do not connect the yellow video cable.
L
R
R
V
A1
Pr
Pb Y
Rear of this unit (Basic connection)
Y
Pb
Pr
L
R
L
R
Rear of TV
VIDEO
INPUT
S-VIDEO INPUT
AUDIO INPUT
AERIAL
COMPONENT VIDEO INPUT
/PROGRESSIVE SCAN
Y
Pb
Pr
L
R
L
R
Rear of TV
VIDEO
INPUT
S-VIDEO INPUT
AUDIO INPUT
AERIAL
COMPONENT VIDEO INPUT
/PROGRESSIVE SCAN
Rear of this unit (DVD exclusive out connection)
Pr
Pb Y
L
R
SC A2

Table of Contents