EasyManua.ls Logo

LG W4-4 - Audio Part - 1 (S;Pdif)

LG W4-4
145 pages
Print Icon
To Next Page IconTo Next Page
To Next Page IconTo Next Page
To Previous Page IconTo Previous Page
To Previous Page IconTo Previous Page
Loading...
2-61
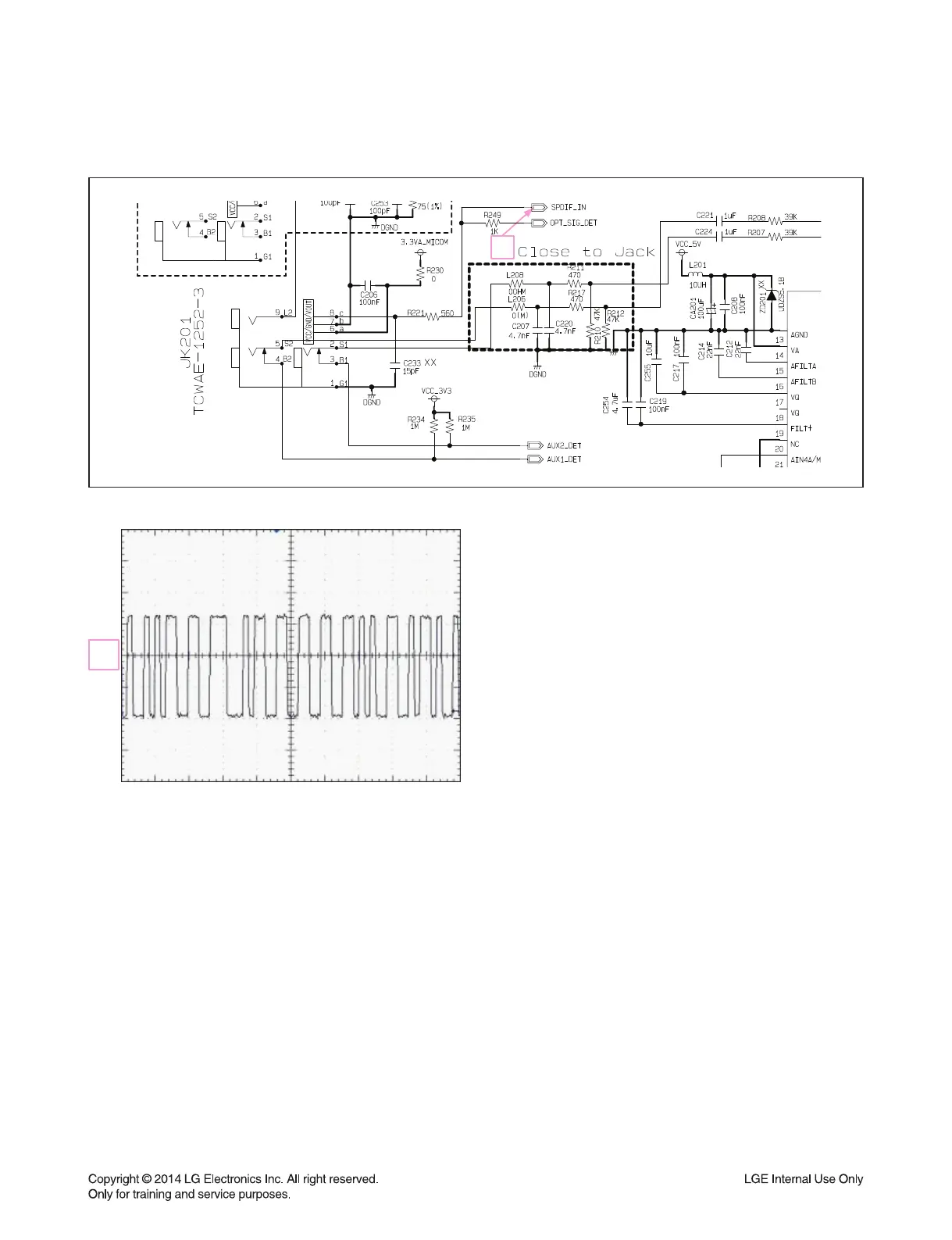
4. AUDIO PART - 1 (S/PDIF)
MT8580_AUDIO_SPDIF IN
9
9

Table of Contents

Related product manuals