EasyManua.ls Logo

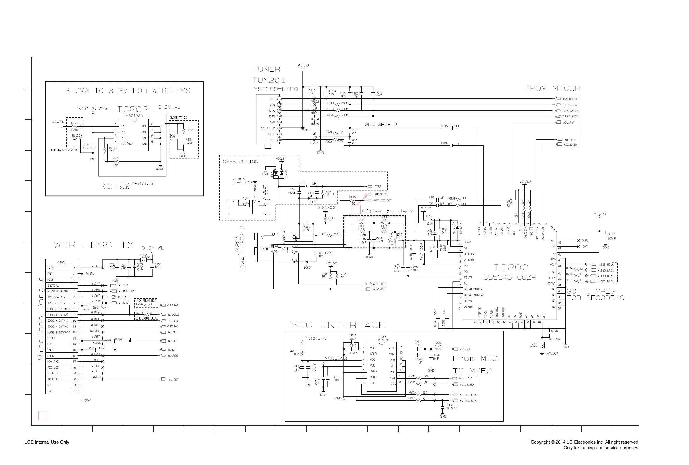
LG W4-4 - Main - Adc; MIC Circuit Diagram

LG W4-4
145 pages
Print Icon
To Next Page IconTo Next Page
To Next Page IconTo Next Page
To Previous Page IconTo Previous Page
To Previous Page IconTo Previous Page
Loading...
2-842-83
9
A
1
2
3
4
5
6
7
8
9
10
11
12
B C D E F G H I J K L M N O P Q R ST
ADC/MIC
EAX65592401(#7) Rev1.3(7)
2013.11.21
: WAVEFORM NUMBER
8. MAIN - ADC/ MIC CIRCUIT DIAGRAM

Table of Contents

Related product manuals